Пьезосирена из СП-1

Высокая цена фирменных пьезосирен, особенно имеющих встроенный источник питания, мешает сколько-нибудь широкому их использованию в радиолюбительской практике. Но такую сирену можно сделать самому. А если дополнить ее выключателем специальной конструкции, то она найдет себе и особое применение...

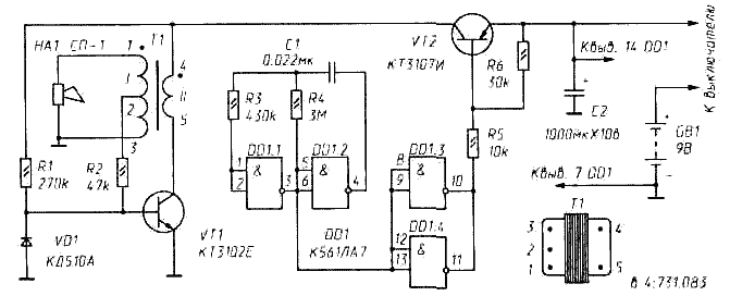
Основой сирены служит пьезоэлемент СП-1 (СП - сирена пьезокерамическая). Звуковое давление, развиваемое им при напряжении

Рис. 88. Пьезосирена на СП-1
Рис. 88. Пьезосирена на СП-1

возбуждения 40 В, может достигать 110 дб. На рис. 88 приведена принципиальная схема электронного преобразователя, обеспечивающего нужный для СП-1 режим работы. Здесь VT1, Т 1 и др. - низкочастотный генератор, возбуждающийся на частоте, зависящей от реактивного сопротивления пьезоизлучателя НА1 и индуктивности повышающей обмотки I трансформатора Т1. Амплитуда переменного напряжения на пьезоизлучателе Uампл@UпитN1/N2, где Uпит - напряжение питания сирены, a N1 и N2 - число витков в обмотках I и II. Акустическое излучение приобретает тревожный характер лишь после специальной модуляции монотонного сигнала. Здесь это делает электронный манипулятор - включенный в цепь питания генератора транзистор VT2. Частота его включении-выключении зависит от постоянной R4C1 генератора, выполненного на микросхеме DD1, и равна F@1/2R4·C1=5...6 Гц. Трансформатор Т1 - В 4:731.083 - выходной от транзисторного приемника. Или подобный ему с N1/N2=6...7 и выводом от середины первичной обмотки. Микросхема DD1 - К561ЛЕ5 или К561ЛА7 - может быть заменена аналогичной из серий К 176. Транзисторы VT1 и VT2 должны иметь усиление по току не менее 100 и напряжение насыщения Uкэ нас<0,3 В. При замене транзистора КТ3102Е каким-либо другим следует иметь в виду, что напряжение на его коллекторе может достигать 18...20 В. Все резисторы «сирены» - МЛТ 0,125. Конденсаторы: С1 - КМ-6; С2 - оксидный подходящих размеров, его емкость может быть и больше указанной. Диод VD1 - любой кремниевый. Если собранная без видимых ошибок сирена не зазвучала, причина окажется, скорее всего, в неправильной фазировке обмоток трансформатора. Сирену нужно тут же выключить (потребляемый в этом режиме ток может быть опасен для транзисторов) и, поменяв местами концы одной из обмоток (1-3 или 4-5), включить снова. Можно поэкспериментировать с резисторами R1 и R2 (с трансформатором другого типа даже нужно). Но так как они являются режимными, лучше это делать под контролем осциллографа. Мощность излучаемого сиреной акустического сигнала в очень большой мере зависит от размеров и конфигурации ее корпуса, наличия в нем акустических «пазух», от места и способа крепления пьезоизлучателя и др. Но все это обычно выясняют экспериментально - акустические расчеты здесь вряд ли можно рекомендовать. Таблица 15

Uпит,B

Iпотр, мА

Uэфф, В

6

13,5

30

7

15,0

32

8

16,0

34

9

18,0

40

Рис. 89. Внешний вид сирены

Заметим лишь, что монотонное излучение с его ярко выраженными интерференционными эффектами имеет свои особенности.

Конструктивно сирена может быть выполнена так, как показано на рис. 89. Ее. габариты - 58х58х38 мм, масса - 95 г (с источником питания - батареей типа «Корунд»). Корпус склеен из ударопрочного полистирола толщиной 2...2,5 мм. Отверстия, расположенные на периферии обоймы СП-1, рекомендуется заклеить. Опыт показывает, что это заметно увеличивает громкость звучания сирены.

В таблице 15 показана зависимость потребляемого сиреной тока Iпотр и напряжения на пьеэоизлучателе Uэфф (эффективное значение) от напряжения источника питания Uпит.

Сирена может работать в самых разных устройствах и установках. Даже в качестве дверного звонка. Но малые размеры и вес позволяют использовать ее в не совсем обычной охранной системе.

Для этого в цепь питания сирены потребуется лишь ввести выключатель, показанный на рис. 90. Здесь: 1 — нормально замкнутая контактная пара от реле; 2 — чека - тонкая пластина электроизолятора (гетинакс, стеклотекстолит и т.п.), размыкающая контактную пару 1; 3 - корпус выключателя; 4 - тяга (струна, тонкий тросик и др.), извлекающая чеку из контактной пары.

Рис. 90. Конструкция выключателя

Пьезосирену с выключателем размещают внутри охраняемого предмета - в чемодане, в кармане шубы и др. Тягу пропускают сквозь подходящее или специально сделанное отверстие и соединяют с багажной полкой, вешалкой и т.п. При перемещении похищаемого чека выходит из контактной пары, включается питание сирены и похититель с «кричащим» в его руках предметом оказывается в центре внимания окружающих.

Обсудить эту статью на форуме (0 ответов).
Вся информация, предоставленная на данном ресурсе разрешена к ознакомлению детям школьного возраста. Все практическое использование может быть связана с повышенной электрической опасностью и разрешено детям только под присмотром взрослых.