Этот програматор ,не смотря на свою простоту, програмирует все пики с послетовательным интерфейсом и не толко пики, например я на нём шил также 24сХХ и 93сХХ, софт подерживает также 89Cx051(U), MDA2062, NVM3060, 59СХХ и т.д. (На практике пока не проверено) правда как их подсоеденить придется подумать самим , я развел толко на те микросхемы которые часто использую. Кроме того, предлагаю к нему очень удобный софт , который поддерживает не только много пограматоров но и русский язык.

После запуска софта надо выбрать порт,JDM programmer , и язык Софт

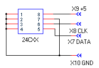
Адптер для 24СХХ

С помощю этого адаптера можно работать с микросхемами 24С01, 24С02, 24С04, 24С08, 24С16, 24С32, 24С64, 24С128, 24С256, 24С512.
При работе с этими микросхемами в опциях I2C необходимо установить "Вкючить MCLR как VCC" и "Вкючить запись блоками"