Динамическое подмагничивание в магнитофоне

В журнале "Радиолюбитель" N 8/91 уже говорилось о повышении качества воспроизведения с помощью динамического фильтра. На этот раз речь пойдет о динамическом подмагничивании, позволяющем существенно повысить качество записи. Как показано в [1], ток ВЧ - составляющих сигнала является подмагничивающим для низких и средних частот и позволяет уменьшить ток ВЧ - подмагничивания без ухудшения качества их записи, а итермодуляционные искажения даже уменьшаются. Кроме того, уменьшение тока ВЧ - подмагничивания способствует оптимизации записи самих ВЧ - составляющих сигнала.
В [2] показано, что наиболее оптимальным с точки зрения уменьшения искажений и увеличения уровня записи ВЧ - составляющих сигнала является постоянство суммы тока записи и тока ВЧ - подмагничивания. Важным достоинством [2] является отсутствие динамических искажений обработки сигнала, т.к. система является безинерционной, однако реализовать ее в магнитофоне с низковольтным питанием достаточно сложно.
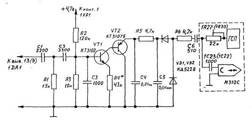
Авторами опробована система, описанная в [3]. После небольшой доработки она показала вполне удовлетворительные результаты. Как видно из схемы (рис.1), с помощью резистора R2 введен порог чувствительности системы и изменены емкости конденсаторов, определяющих время срабатывания и время восстановления.

Время срабатывания определяет постоянная R6-R5-С5. Реально измеренная в первоисточнике, она составляет около 10 мс. В то время как заметные на слух изменения динамики сигнала соизмеримы с временем задержки прохождения звукового сигнала между органами слуха. С этой целью емкость конденсатора С5 с 0,15 мкФ уменьшена до 0,01, при этом время срабатывания уменьшилось до 0,5 мс.
Время восстановления определяет TB=R6C5+R5C4. Измеренное в [3] это время составляет около 50 мс. Поэтому номинал резистора R6 уменьшен с 27 до 4,7 кОм.
С помощью резистора R4 введена глубокая ООС по постоянному току, линеаризирующая регулировочную характеристику канала управления на транзисторах VT1, VT2. Конденсатор СЗ способствует уменьшению проникания ВЧ - подмагничивания.
Описанная система опробована в магнитофоне "Беларусь М-31 ОС" и показала хорошие результаты.


Литература:

1. Сухов Н. Адаптивное подмагничивание или... снова о динамическом. Радио, 1991, N 6,7.
2. Алейнов А. Параметрическое динамическое подмагничивание. Радиоежегодник, 1989, с.93≈116.

Обсудить эту статью на форуме (0 ответов).
Вся информация, предоставленная на данном ресурсе разрешена к ознакомлению детям школьного возраста. Все практическое использование может быть связана с повышенной электрической опасностью и разрешено детям только под присмотром взрослых.