Элементы звуковой индикации
предназначены для генерации звукового сигнала при подаче на них
питающего или управляющего напряжения. Подобные устройства должны
содержать минимальное количество дискретных радиоэлементов и
работать в широком диапазоне изменения питающего напряжения и
генерируемых частот. К стабильности частоты и форме импульсов
повышенных требований, как правило, не предъявляется.
На
рис.1...7 приведены схемы элементов звуковой индикации, содержащие
от 2 до 6 радиоэлементов, включая звукоизлучающий.
Генератор
импульсов (рис.1), выполненный на составном транзисторе структур
n-p-n и p-n-p, не содержит конденсаторов, так как в качестве
частотозадающего конденсатора использован пьезокерамический капсюль
BF1.

Генератор работает при изменении
напряжения питания от 1 до 10 В и потребляет, соответственно, ток .≈
от 0,4 до 5 мА.
Звуковой индикатор (рис.2) выполнен на аналоге
лямбда-диода и имеет в качестве нагрузки колебательный контур, в
состав которого входит электромагнитный капсюль ТМ-2В и конденсатор
С1.

Генератор работает при напряжении
питания 1,5...2,5 В с потребляемым током до 0,4 мА и вырабатывает
колебания, близкие к синусоидальным.
Простейший звуковой
генератор с минимальным количеством навесных элементов может быть
выполнен на микросхеме К538УНЗБ (рис.3, 4).


Генератор работает в диапазоне
питающих напряжений 2...6 В (потребляемый ток ≈ 0,7...3
мА).
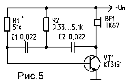
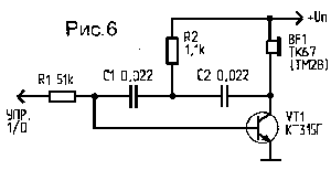
Звуковые индикаторы (рис.5...7) близки по построению к
RC-генераторам с фазосдвигающими RC-цепочками, однако за счет
использования вместо одного из элементов фазосдвигающей цепочки
индуктивности (телефонный капсюль ТК-67 или ТМ-2В) работают с
меньшим числом элементов и в большем диапазоне изменения напряжения
питания. Так, звуковой генератор (рис.5) работоспособен при
изменении напряжения питания в пределах 1...15В (потребляемый ток ≈
2...60 мА).

Частота генерации изменяется от 1 кГц
(Uпит. = 1,5 В) до 1,3 кГц при 15 В. При коллекторном токе свыше 30
мА необходимо использовать более мощные транзисторы.
Управляемый
звуковой индикатор (рис.6) также работает при ипит.=1...15 В;
включение/выключение генератора производится подачей на его
управляющий вход логических уровней, причем величина управляющего
напряжения также может лежать в пределах 1...15 В.

Звуковой генератор может быть выполнен и по схеме, приведенной на рис.7.

Частота генерации возрастает с 740 Гц
(ток потребления ≈ 1,2 мА) при ипит=1,5 В до 3,3 кГц (6,2 мА и 15
В). Наиболее стабильна частота генерации при изменении напряжения
питания в пределах 3...11 В. Ее величина составляет 1,7 кГц, а
изменение ≈ в пределах ╠1%.
RC-генератор (рис.8) выполнен на
полевых транзисторах.

Подобная схема используется обычно при
построении высокостабильных LC-генераторов. При указанных на схеме
номиналах генерация возникает при напряжении питания свыше 1 В. При
изменении напряжения питания с 2 до 10 В частота генерации
понижается с 1,1 кГц до 660 Гц, потребляемый ток повышается,
соответственно, с 4 до 11 мА. Варьированием емкости конденсатора С1
от 150 пФ до 10 мкФ и регулировкой сопротивления R2 могут быть
получены импульсы частотой от единиц герц до 70 кГц и
выше.
Представленные выше элементы звуковой индикации могут быть
использованы в качестве экономичных элементов индикации состояния
"включено/выключено" узлов и блоков радиоэлектронной аппаратуры, в
частности светоизлучающих диодов, для дублирования световой
индикации, для аварийной и "тревожной" сигнализации и
т.д.