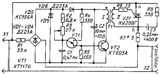
Стабилизированный регулятор частоты вращения

Все, кому приходилось пользоваться электроинструментом для обработки материалов (точильным станком, дрелью и т. п.), знают, что стоит только увеличить рабочую нагрузку, как обороты инструмента начинают падать. Устройство, схема которого показана на рис.1, позволяет в некоторых пределах изменять частоту вращения якоря подключенного к нему электродвигателя. Кроме этого, оно способно существенно уменьшить зависимость частоты вращения якоря от механической нагрузки на инструмент. При замыкании резистора R7 цепи обратной связи (ОС) дополнительным тумблером устройство можно использовать и как регулятор мощности до 500 Вт при активной нагрузке.
Принцип работы устройства основан на двуполупериодном фазовом управлении симистором VS1 (см. схему), что обеспечивает двигателю электродрели полную потребляемую мощность. Но в дрели установлен коллекторный электродвигатель, поэтому ток в цепи симистора из-за индуктивной нагрузки прерывается, возникает ЭДС самоиндукции, что приводит к неустойчивой работе симистора. Для устранения этого явления параллельно симистору подключена цепь R8, С3.
Выпрямительный мост VD1-VD4 и стабилитрон VD5 обеспечивают питание узла управления симистором VS1 пульсирующим напряжением. Резистор R1 гасит избыточное напряжение сети. Задержку открывания симистора по фазе определяет время зарядки конденсатора С1 через резисторы R2 и R3 от источника напряжения, уровень которого определяется стабилитроном VD5 и коэффициентом передачи однопереходного транзистора VT1.

При некотором пороговом напряжении на конденсаторе С1 однопереходный транзистор открывается, и на его нагрузочном резисторе R5 появляется импульс напряжения, который транзистор VT2 усиливает до уровня, необходимого для включения симистора. Симистор остается открытым до тех пор, пока ток, текущий через него, не уменьшится до порога его выключения. При этом конденсатор С1 разряжается до напряжения закрывания однопереходного транзистора VT1. После выключения симистора конденсатор С1 снова заряжается - начинается следующий цикл работы узла управления симистором.
Резистор R7 - элемент цепи ОС по току в нагрузке. Действие ОС иллюстрируют кривые, снятые при неизменном положении движка переменного резистора R2 и работе электродрели на холостом ходу (рис.2) и под нагрузкой (рис.3). Здесь t1 - ремя зарядки конденсатора C1, t2 - время, в течение которого симистор находится в открытом состоянии.
С увеличением нагрузки на вал электродвигателя частота вращения его якоря снижается, что приводит к увеличению потребляемого тока и падения напряжения (при включенном симисторе) на резисторе R7. Когда суммарное падение напряжения на семисторе и резисторе R7 превысит напряжение закрывания однопереходного транзистора VT1, конденсатор C1 начинает заряжаться, в результате чего в новом цикле работы устройства время его зарядки до напряжения открывания транзистора VT1 становится меньше. Поэтому симистор при каждом полупериоде будет находиться в открытом состоянии дольше, мощность на валу двигателя соответственно увеличится и восстановится прежняя частота вращения.
Регулятор испытывался при совместной работе с электродрелью ИЭ 1032-1. Для работы регулятора с другим подобным инструментом понадобится, возможно, подобрать резистор R7.
В регуляторе использованы постоянные резисторы - МЛТ, переменный резистор R3 - СП4-1, конденсатор C1 - КМ-6 (можно МБМ), С3- МБГП, оксидный С2-К50-6. Резистор R7 намотан нихромовым проводом диаметром 0,3 мм на резисторе МЛТ-2 сопротивлением не менее 100 Ом. Однопереходный транзистор VT1 может быть КТ117А. Транзистор VT2 - КТ603А или любой из серий КТ312, КТ315. Диоды Д223А можно заменить на Д220 или КД521А, симистор КУ208Г - на два тринистора серии КУ202, включив их встречно-параллельно, как показано на рис.4.
Трансформатор Т1 - МИТ-4 или самодельный, выполненный на кольцевом магнитопроводе типоразмера К16х10х4,5 из феррита 2000НМ. Обмотки самодельного трансформатора содержат каждая по 100 витков провода ПЭЛШО 0,12. При замене симистора двумя тринисторами импульсный трансформатор должен иметь две вторичные обмотки (рис.4).
Налаживание регулятора, собранного из заведомо исправных деталей, сводится лишь к подборке сопротивления резистора R7, добиваясь устойчивой работы устройства. В случае использования регулятора для работы с электродрелями устаревших моделей придется, возможно, увеличить емкость конденсатора С3 до 0,47 мкФ.
Регулятор имеет непосредственный контакт с электросетью. Поэтому, налаживая его, необходимо соблюдать особую осторожность и выполнять требования техники безопасности при работе с электроустановками.

Обсудить эту статью на форуме (0 ответов).
Вся информация, предоставленная на данном ресурсе разрешена к ознакомлению детям школьного возраста. Все практическое использование может быть связана с повышенной электрической опасностью и разрешено детям только под присмотром взрослых.