|
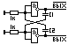
Генератор 1
 |
Простейший автогенерато получаеться из двух инверторов, но при этом значение KU невелико. Удобнее включить три или четыре элемента из микросхемы. Частота такого герератора F=3RC |
|
Генератор 2
 |
Этот генератор аналогичен предыдущему, только с кварцевой стабилизацией |
Генератор 3
 |
Данный мультивибратор снабжон выходом разрешения выходных сигналов ЕО. Если на вход ЕО подать напряжение низкого уровня то защёлка сработет и генерация будет разрешена. Генерация прекратьистся, когда на вход ЕО поступит напряжение высокого уровня, и на выходе генератора появиться постоянный сигнал высокого уровня. |
Генератор 4
 |
Для повышения стабильности автогенератора удобно использовать инвертирущий уселительный каскад с отрицательной обратной связью. В данной схеме используеться два таких инвертора К*U=2(560/220) < 5,5. Здесь при ёмкости С=1000пФ частота F=500кГц |
Генератор 5
 |
Анологичен предыдущему но застабилизирован кварцевым резонатором. |
Генератор 6
 |
Данный автогенератор собран на базе "Генератора 4", но благодоря включению диода имеет мозможность регулировки скважности импульсов. |
Генератор 7
 |
Кварцвый автогенератор с буферным выходным логическим элементом. |
Генератор 8
 |
Семетричный мультивибратор вырабатывающий парофазные выходные последовательности. Здесь при С1=С2=100пФ частота F=2МГц. Выходную частоту можно устанавливать от 1Гц до 10 МГц, если ёмкость конденсаторов выбирать в перелах 50 мкФ... 10пФ |
Генератор 9
Генератор 10
Генератор 11
Генератор 12
 |
Генератор ВЧ колебаний (18 МГц) собран на элементах D1.2-D1.4, его запускают импульсы с частотой 300 Гц, получаемые от генератора, собранного на транзисторе V1 и элементе D1.1. При подключении такого генератора к телевизору появляется шесть горизонтальных полос и слышен фон звуковой частоты. |
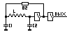
Генератор 13
 |
При включении питания на выходе микросхемы D1 появляется логическая "1". Напряжение с выхода микросхемы заряжает один из конденсаторов С1-С7 (в зависимости от положения переключателя диапазонов S1) по цепи: выход микросхемы (вывод 3), резистор R4, конденсатор, открытый переход транзистора V1. Постоянная времени заряда равна С1-7 (R4 + R6э). По окончании заряда отрицательное напряжение на левой по схеме обкладке конденсатора закрывает транзистор, и конденсатор начинает перезаряжаться, так как на выходе микросхемы устанавливается низкий уровень напряжения. Сопротивление закрытого транзистора велико и перезаряд происходит по цепи: левая обкладка конденсатора, резистор R2, резистор R1, источник питания, микросхема D1. На выходе микросхемы, на конденсаторе и, следовательно, на базе транзистора напряжение меняется. Как только на базе появится напряжение +0,5 ...0,7В, транзистор открывается, на входе D1 появляется низкий потенциал, на выходе - высокий и весь цикл повторяется. |
|