Устройство для чтения/записи магнитных карточек

Для изготовления устройства, которое, разумеется, можно применять не только для чтения, но и записи магнитных карточек, удобно использовать готовый лентопротяжный механизм магнитофона или плейера. Карточка при этом протягивается так же как и лента, между тонвалом и тонроликом. Но надо иметь в виду - металлический тонвал проскальзывает по пластиковой поверхности телефонной карточки. Автор одел на тонвал тонкую ПВХ трубочку от изоляции импортного экранированного провода, предварительно окунув ее в ацетон. После высыхания ацетона можно включить моторчик ЛПМ и подшлифовать внешнюю поверхность трубки мелкой наждачкой. Подготовка приводного вала - очень важный момент! Именно от вала в основном зависит равномерность скорости подачи карточки. Впрочем, остальные узлы тоже требуют аккуратности. Несмотря на это устройство полностью можно изготовить за пару выходных дней.
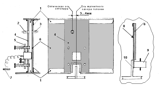
После подготовки вала необходимо изготовить направляющий тракт. Его конструкция зависит от конкретного ЛПМ, поэтому здесь приводится только эскиз, иллюстрирующий идею. В качестве исходного материала был использован двухсторонний фольгированный стеклотекстолит. Его легко обрабатывать и соединять детали пайкой, без дополнительных крепежных деталей. В конструкции используется пара светодиод-фотодиод для регистрации моментов начала и окончания прохождения карточки через ЛПМ. Необходимо учитывать, что запись начинается примерно в 3мм от края карточки и располагать головку так, чтобы тонвал успел захватить и начать протаскивать карточку до того, как начало записи окажется в рабочей зоне головки. Примерно в этот же момент должен срабатывать и оптодатчик. У меня карточка после прохождения ЛПМ по инерции проскакивает дальше и открывает оптодатчик снова. Но лучше поставить второй оптодатчик на окончание карточки, чуть правее оси магнитного зазора головки.

Рис.1. Эскиз устройства для чтения магнитных карточек.
1- направляющие желобки из жести; 2- светодиод; 3- фотодиод; 4- неподвижная пластина узла головки; 5- подвижная пластина узла головки; 6- основание; 7- контактная плата; 8- магнитная карточка; 9- тонролик; 10- тонвал.
Эскиз устройства приведен на рисунке 1. Особую сложность представляет только узел крепления головки, так как надо прижимать головку к карточке, а не наоборот. Площадка с прикрепленной к ней головкой равномерно прижимается четырьмя пружинками. Прижимное усилие должно быть небольшим, т.к. магнитный слой намагничен очень сильно. Сохранена возможность регулировки азимута головки. Провода, идущие от головки - тонкие неэкранированные, не должны мешать смещению площадки с головкой. Они подведены к контактным площадкам недалеко от головки. Далее идут экранированные провода. Моторчик питается непосредственно от 5-вольтового напряжения питания всей схемы. Моторчик от плеера обеспечивает при этом необходимую скорость движения карточки. Помехи легко шунтируются керамическим конденсатором, расположенным на выводах моторчика.

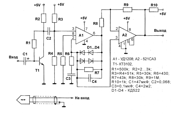
Принципиальная схема приведена на рисунке 2. За основу взята схема "читалки" от Spectrum-совместимого компьютера "Ленинград". Добавлен только входной каскад на одном транзисторе. При исправных деталях схема не требует наладки, собрана у автора на макетной плате. Обратите особое внимание на тщательное экранирование узлов и соединений. Схемка с ключевым транзистором для оптодатчика не показана в силу своей примитивности.
Программа, обрабатывающая карточки, еще не готова. Желающие могут взять за основу, например, программы для LPT-порта на сайте http://www.chat.ru/~wrkbench . Мы с удовольствием опубликуем результаты вашего труда. Всех остальных читателей приглашаем периодически посещать сайт. Отдельная статья с программой обязательно появится.

Обсудить эту статью на форуме (0 ответов).
Вся информация, предоставленная на данном ресурсе разрешена к ознакомлению детям школьного возраста. Все практическое использование может быть связана с повышенной электрической опасностью и разрешено детям только под присмотром взрослых.