DTMF кодеры используются для формирования стандартного двухчастотного сигнала, который служит для передачи по каналам связи буквенно-цифровой информации. Типичное применение - тональный набор номера в телефонах. В современных радиостанциях, применяемых в радиотелефонных системах также используется DTMF для набора номера и другой информации. Выпускается большое количество DTMF кодеров, выполненных в виде отдельного малогабаритного устройства с питанием от батарей для использования в тех случаях, когда оконечное устройство пользователя не имеет возможности передавать сигналы DTMF. Такие устройства получили название "биперы". Используются, например для дистанционного управления автоответчиками, охранными и другими устройствами, подключенными к телефонной линии. DTMF сигнал состоит из двух составляющих синусоидальной формы, суммируемых при формировании. Каждому символу соответствует комбинация частот :
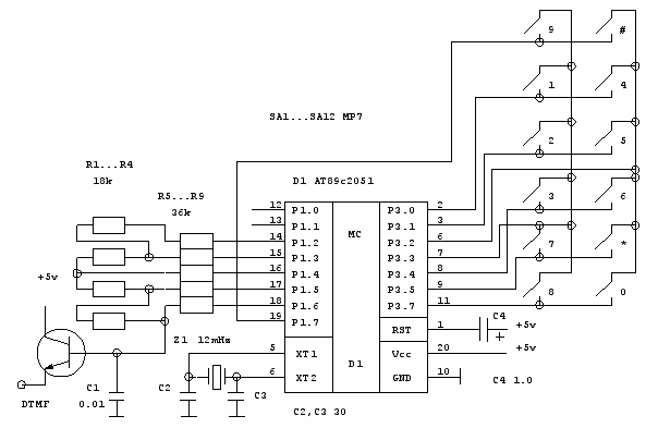
Один из возможных способов
получения DTMF сигналов - цифровой синтез синусоидального сигнала на базе
обратного Z-преобразования. Схема бипера приведена на
рис.1. Клавиатура содержит только 12 кнопок используемых в телефонных
приложениях. Она состоит из матрицы 6х2, выходы которой подключены ко входам
прерывания INT0 и INT1 МК. На резисторах R1-R9 собран простейший 5-ти
разрядный ЦАП. Добавив еще 4 резистора по аналогии с разрядами Р1.6-Р1.2 можно
задействовать еще и разряды Р1.0, Р1.1. При этом нужно нагрузить эти разряды
резисторами 10 кОм на источник питания, т.к. они не имеют внутренней нагрузки.
В результате уменьшится уровень помех квантования. Однако, как показали
практические испытания, 5-ти разрядов оказывается вполне достаточно.
На рис. 2 и 3 приведены чертежи печатной платы устройства. Размер управляющей программы составляет около 500 байт. Поэтому можно использовать м/с AT89c1051, имеющую меньший объем памяти и меньшую стоимость. Приведенный алгоритм открывает большие возможности для практического применения. К примеру можно сделать несложный генератор низкой частоты с плавной перестройкой и возможностью работать в качестве генератора качающейся частоты для настройки различных НЧ устройств. Там же можно ввести формирование прямоугольных, треугольных и вообще сигналов любой формы. |
DTMF кодер
Doc
Просмотров: 7198

