Импульсный генератор

http://www.radio-portal.ru/https://radio-portal.su/cache/imp_gen_images_stories_pictures_thumb_medium600_0.png

http://www.radio-portal.ru/images/stories/pictures/imp_gen.png
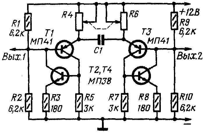
В тех случаях, когда необходимо получить последовательность импульсов с периодом следования до нескольких десятков секунд, можно использовать импульсные генераторы с перезаряжающимся конденсатором.

На рисунке приведена схема одного из таких генераторов. Он позволяет получать как симметричные, так и несимметричные прямоугольные импульсы с периодом следования от десятков микросекунд до 30 с. При этом емкость конденсатора C1 должна изменяться от 300 пФ до 50 мкф, а сопротивление резисторов R4 и R6 — от 10 кОм до 1,5 МОм. Амплитуда выходного сигнала в два раза меньше напряжения питания. Уменьшение напряжения питания до 8 В не влияет на период колебаний.

Обсудить эту статью на форуме (0 ответов).
Вся информация, предоставленная на данном ресурсе разрешена к ознакомлению детям школьного возраста. Все практическое использование может быть связана с повышенной электрической опасностью и разрешено детям только под присмотром взрослых.