|
В радиолюбительской практике довольно часто приходится сталкиваться с проблемой коммутации сетевого переменного напряжения. Ранее для включения и выключения сетевой нагрузки использовались электромагнитные реле, но как показало время - это не самый надежный способ: контакты реле очень подвержены износу, особенно при использовании в цепях переменного тока и особенно с индуктивной нагрузкой. Тем более, для включения мощных потребителей нужны крупногабаритные реле с существенным управляющим током в обмотке.
![]() Рисунок 1. Управление симистором с помощью оптрона.
Не могу не упомянуть также о оптотиристорах. В одном корпусе находится тиристор и светодиод. Но, к сожалению, оптросимисторов почему-то не делают, а ведь это фактически "буржуйское" твердотельное реле - идеальный прибор для коммутации сетевого напряжения. Итак, используя оптотиристоры тоже довольно легко можно коммутировать сетевое напряжение (Рис.2)
![]() Рисунок 2. Коммутация сетевого напряжения с использованием оптотиристоров.
Симистором можно управлять и импульсами: управляющее напряжение присутствует на управляющем электроде только 5-50 мкс, в момент начала роста сетевого напряжения после прохождения через 0. Более того, изменяя временнОе положение управляющего импульса в пределах 0-10 мс относительно начала каждого полупериода можно регулировать мощность, отдаваемую в нагрузку в пределах от 100 до 0 процентов. Импульсное управление позволяет также сделать устройство управления более экономичным, а применение при этом еще и импульсных трансформаторов позволит гальванически развязать сеть и устройство управления. Применение трансформаторов имеет еще одно преимущество: за счет бросков самоиндукции под действием однополярного импульса формируется короткий пакет быстро затухающих разнополярных, естественно, колебаний, легко открывающих любой симистор. Если конструируемое устройство не предназначено для регулирования мощности, а должно только включать/выключать сетевую нагрузку, то управляющие импульсы можно и не синхронизировать с прохождением сетевого напряжения через 0. ![]() Рисунок 3. Принципиальная схема симисторного выключателя с импульсным управлением.
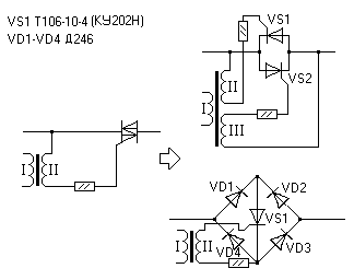
Трансформатор T1 выполняется на ферритовом кольце 1000-2000 НМ размером К10Х6Х4 и содержит две одинаковые обмотки примерно по 50 витков каждая. Провод для намотки в эмалевой изоляции диаметром 0.1-0.2 мм. Взаимная изоляция обмоток очень тщательная! Фазировка обмоток безразлична, так как благодаря диоду VD2 на вторичной обмотке наводятся разнополярные импульсы. Подбирая резистор R2 регулируют длительность управляющего импульса. Чем она меньше, тем меньше ток потребления управляющего устройства, но при очень коротком импульсе не все тиристоры успевают открываться, потому, если нужна повышенная экономичность, R2 придется подбирать на границе четкого открывания симистора. Можно добиться снижения потребляемого системой управления тока менее 10 мА, что очень удобно в случае применения источников питания с емкостным балластом. ![]() Рисунок 4. Замена симистора.
Сейчас для радиолюбителей стали доступны многие электронные компоненты зарубежного производства. Есть среди них и симисторы, прекрасно подходящие для включения/выключения сетевых нагрузок. Наиболее доступными и распространенными на сегодня являются симистор (triacs) производства Philips типов BT134-500 и BT136-500. Эти приборы выполнены в пластмассовых корпусах: BT134 - как у транзисторов КТ815, но без отверстия, а BT136 - как у транзисторов КТ805, с крепежным фланцем. По сведениям продавцов BT134 рассчитан на ток 6А, а BT136 - 12А, но на многих сайтах можно увидеть, что оба симистор рассчитаны на силу тока не более 4А и выдерживают напряжение 500 В в закрытом состоянии. К сожалению, автор не смог просмотреть документацию с сайта Philips, так как там все документы PDF, а просмотрщика для последних версий под ДОС нету. Отличительной особенностью названных симисторов являются не столько их малые размеры (такие же корпуса имеют отечественные ТС106-10-... в пластмассе), сколько способ управления ими: эти симистор открываются управляющим напряжением отрицательной по отношению к "катоду" полярности при любом направлении тока через симистор. А это позволяет отказаться от применения оптронов и согласующих импульсных трансформаторов. ![]() Рисунок 5. Принципиальная схема выключателя с использованием импортных симисторов.
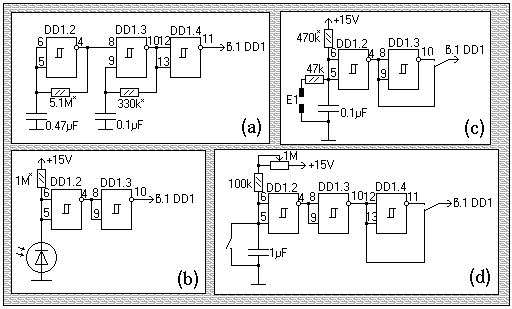
Ток потребления устройства управления в "выключенном" состоянии - 1.2 мА, а во "включенном" - 5 мА, что позволило применить в блоке питания совсем маленький конденсатор 0.2 мкФ 400 В. Устройство (рис.5) - это фактически основа для многих электронных устройств, ведь на трех свободных логических элементах DD1 можно собрать много интересных вещей. На рисунке 6(a) показана схема мигалки, 6(b) - фотореле, 6(с) - автомата для включения/выключения насоса при касании сенсора E1 поверхности воды, 6(d) - реле времени. Довольно несложно реализовать сенсорный выключатель (рис.7).
Правда, при построении на логических элементах генераторов, при использовании световой индикации потребляемый ток может возрасти, и тогда емкость С1 придется увеличивать. Необходимую емкость подобрать довольно просто: во всех рабочих режимах устройства измеряют ток через стабилитрон, он должен быть не менее 1-2 мА и не более 30 мА. Наиболее часто емкость С1 используется 0.47 или 0.68 мкФ*400В. Мощность нагрузки, коммутируемой устройствами, рассмотренными в этой статье, зависит только от типа симистора (тиристоров) и толщины проводов :-) см. таблицу 1.
В таблице также даны ориентировочные размеры теплоотводов. Вообще, учитывая падение напряжения на открытом симисторе, которое равно примерно 1 В, можно полагать, что мощность, рассеиваемая на симисторе численно равна току, проходящему через него. Для рассеивания такой мощности нужен теплоотвод такой же площади, как квадратная пластина, со стороной, численно равной в сантиметрах рассеиваемой мощности. В статье не приводятся данные и схемы касающиеся использования симисторов КУ208Г. Это не случайно, так как эти симисторы показали себя с наихудшей стороны и надежно не работали ни в одном устройстве. Многие образцы КУ208Г разных лет выпусков имели недопустимо большой ток в закрытом состоянии, и после длительного пребывания под напряжением именно в закрытом состоянии сильно разогревались и после наступал пробой. Может их как-то по особому включать надо? Считаю своим долгом также напомнить радиолюбителям о электробезопасности, так как многие из приведенных схем имеют гальваническую связь с сетью! Не испытывайте судьбу и отключайте от сети устройства, прежде чем лезть в них с паяльником. Литература :
|
Автор: Андрей Шарый






