Очень простенький автогенератор ВЧ

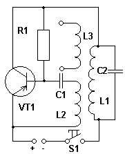
схемаПростой ВЧ генератор
Схемы подобного рода генераторов часто приводят в учебниках физики для объяснения принципа действия автогенераторов. Когда такой учебник попался мне в руки, я решил поэкспериментировать. Устройство работало сразу, даже без элементов C1, R1 и L3 (так схема выглядела в оригинале). Правда, была довольно значительная нестабильность частоты. После добавления этих элементов генератор стабильно работал в диапазоне ДВ и СВ. С короткими волнами пока не пробовал.
Каков принцип работы этого генератора? С первого взгляда на схему даже начинающему радиолюбителю бросается в глаза ее сходство с однокаскадным усилителем, который нагружен на колебательный контур L1C2, а к входу его присоединена катушка связи L2. Так оно и есть. А теперь представьте, что во время включения питания в контуре L1C2 возникли затухающие колебания. Эти колебания наводят в индуктивно связанной с контуром катушке L2 колебания такой же частоты. Переменный ток с L2 беспрепятственно проходит через разделительный конденсатор C1 и усиливается транзистором VT1. С транзистора усиленные колебания подаются на нагрузку – контур L1C2 и, попадая в резонанс с собственными колебаниями контура, снова подаются на вход усилителя с катушки L2. Так продолжается непрерывно, пока к генератору присоединен источник питания и цепь замкнута.
О назначении некоторых элементов: R1 – задает режим работы транзистора. Если кому лень припаять лишние два вывода или большой напряг с резисторами – можно не ставить, но за стабильность работы генератора я тогда не ручаюсь. Конденсатор C1 – устраняет влияние положительного потенциала источника питания на базу транзистора, а, следовательно – на режим работы транзистора. Кому лень припаять и эту деталь – все будет работать и без нее, но частота будет, опять таки, сильно варьировать при любых колебаниях в цепи питания.
Номиналы элементов:
Транзистор VT1 – П416. Если такого нет, или нужна большая мощность – в схеме хорошо работают любые ВЧ транзисторы. Но резистор тогда подбирайте сами.
Резистор R1 – для начала поставьте около 300 кОм. Ток в цепи этого резистора должен быть в пределах 0,8 – 1,2 мА (для транзисторов из серии П416). Если ток отличается от этих пределов – подберите этот резистор экспериментально.
Параметры L1 и C2 – в зависимости от частоты.
Конденсатор C1 – 0,01 мкф.
Катушка связи L2 размещается на одном каркасе с L1 и содержит в десять раз меньше витков, чем L1.
Катушка L3 – в половину меньше витков, чем L1. С нее снимается сигнал генератора.
Напряжение источника питания – 9 – 12 В.

Подобный генератор можно использовать для настройки среднечастотной радиоаппаратуры, для экспериментов в лаборатории, как задающий генератор маломощного передатчика. Для амплитудной модуляции генератора я включал в цепь питания вторичную обмотку выходного трансформатора от абонентского громкоговорителя, а на первичную обмотку подавал сигнал от УНЧ или ГЗЧ.

Обсудить эту статью на форуме (0 ответов).
Вся информация, предоставленная на данном ресурсе разрешена к ознакомлению детям школьного возраста. Все практическое использование может быть связана с повышенной электрической опасностью и разрешено детям только под присмотром взрослых.