Прибор для проверки и восстановления кинескопов

Практическое изготовление комбинированного прибора для проверки кинескопов и восстановления эмиссии их истощенных катодов по описаниям в [1 и 2] выявило ряд недостатков рассмотренных ранее устройств. Так, при проверке на утечку (замыкание) между катодом и подогревателем или катодом и модулятором - невозможно определить, с каким из катодов («красным», «зеленым» или «синим») произошло замыкание; нельзя проверить щелевые кинескопы 51ЛК2Ц и не предусмотрена возможность их восстановления, так как для их проверки цепи «красного», «зеленого» и «синего» катодов должны быть разделены, а в приборе [1] они замкнуты между собой. Кроме того, при усовершенствовании прибора [2] завышена мощность трансформатора, в результате чего он имеет большие массу и габариты, а также требуется ненужный расход провода из-за наличия двух вторичных обмоток, которые одновременно под нагрузкой не бывают. К тому же прибор содержит излишнее число разъемов для подключения кинескопов к прибору, что очень неудобно при эксплуатации.

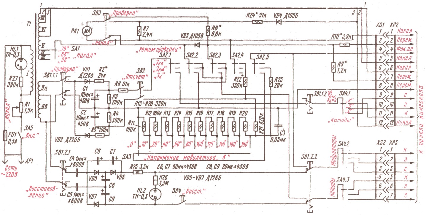
В предлагаемом комбинированном приборе предпринята попытка дальнейшей модернизации узлов с целью устранения указанных недостатков. Его принципиальная схема изображена на рисунке. Прибор представляет собой устройство с раздельными узлами проверки и восстановления при общих,цепях питания и подключения к кинескопам. Прибор питается от трансформатора Т1, который имеет меньшие массу и габариты и более экономичен. Трансформатор включает в себя одну общую высоковольтную обмотку II на 350 В с отводом (IIб) на 240 В. Напряжение всей обмотки II используется для питания выпрямителя узла проверки, а напряжение с части обмотки IIб — для питания выпрямителя узла восстановления. Их коммутируют кнопочным переключателем SВ1. При нажатии на кнопку SВ1.1 «Проверка» кнопка SВ1.2 размыкает свои контакты SВ1.2.1, а следовательно, прерывает цепь питания узла восстановления. К обмотке II трансформатора через контакты SВ1.1 подключается выпрямитель питания узла проверки. При нажатии на кнопку SВ1.2 «Восстановление» кнопка SВ1.1 размыкается и отключает цепи питания узла проверки от вторичной обмотки трансформатора. С части IIб обмотки через замкнутые контакты SВ1.2.1 напряжение 240 В поступает на выпрямитель узла восстановления. Накальная обмотка трансформатора дополнена еще двумя частями III и IV с напряжением около одного вольта на каждой. При этом на накал кинескопа, например, 61ЛКЗЦ, при восстановлении первоначально подают напряжение 7 В, а при необходимости (когда кинескоп, восстанавливается плохо) 8 или 9 В переключателем SА1. Проверяют кинескопы только при установке переключателя SА1 в положение «7 В». Таблица 1.

Обмотка Число витков Диаметр провода, мм Напряжение, В
I 1210 0,2 220
IIа 605 0,1 110
IIб 1320 0,1 240
III 6 0,72 1,1
IV б 0,72 1,1
V 40 0,72 7,2
VI 36 0,51 6,5
VII 9 0,38 1,6

Трансформатор намотан на магнитопроводе Ш19x38. Намоточные данные обмоток трансформатора указаны в табл. 1. Узел коммутации для проверки и восстановления кинескопов также изменен. В него входят переключатели SА2—SА4 и кнопки SВ1—SВ4. Переключатель SА2 имеет только три положения (в предыдущем варианте их было пять). В первом из них — «Iкп» — переключатель замыкает цепь проверки и утечку (замыкание) между катодом и подогревателем, во втором — «Iкм» - цепь проверки на утечку (замыкание) между катодам и модулятором, а в третьем — «Iк» — цепь проверки тока, катодов. Токи утечки и эмиссии проверяют раздельно для каждого катода. Их цепи коммутируют контакты SВ1.1.2, SВ1.2.2 и переключатель SА4. Кинескопы подключают к прибору через кабель с вилками ХР2 и ХРЗ. Однако можно применить и один малогабаритный разъем на 18—20 контактов. Адреса соединения проводов кабеля для широко применявшихся кинескопов 61ЛКЗЦ (59ЛКЗЦ), 51ЛК2Ц и 50ЛК1Б (47ЛК2В, 59ЛК2В, 61ЛК1Б) указаны в табл.1. Для других кинескопов адреса проводов соединительных кабелей при необходимости можно легко найти самостоятельно, пользуясь нумерацией и назначением контактов разъемов и панелей кинескопа [1]. Степень годности кинескопа определяют в следующей последовательности. Проверяемый кинескоп кабелем подключают к гнездам ХS1 и ХS2 прибора. Нажимают на кнопку S81.1 (контакты SВ1.1.1 замыкаются). При этом контакты SВ1.1.2 замыкают цепь ускоряющего электрода, а контакты SВ1.2.2 — цепи модулятора и катода. Переключатель SАЗ «Напряжение модулятора» устанавливая» в положение «20», а переключатель SА2 «Режим проверки» в процессе измерений — вначале в положение «Iкп», затем «Iкм» и «Iк». Движок переменного резистора устанавливают в нижнее по схеме положение, после чего прибор включают в сеть — переводят тумблер SА5 во включенное положение. Загорается лампа HL1, индицирующая включение прибора в сеть. Затем нажимают на кнопку SВЗ «Накал» и переменным резистором R1 добиваются напряжения 6,3 В (в положении «7 В» переключателя SА1) аналогично описанному в [1]. После прогрева кинескопа в течение 2... 3 мин прибор готов к измерениям. Наличие тока утечки (замыкания) определяют при установке переключателя SА2 в положения «Iкп» и «Iкм», переключателя SА4 в положения «К», «3» или «С» и нажатии кнопки SВ2. Для проверки тока катодов переключатель SА2 переводят в положение «Iк» и, так же переключая SА4 и нажимая на кнопку SВ2 «Отсчет», по шкале в виде цветовых секторов прибора РА1 определяют степень годности катодов [1]. Определив, какой из катодов имеет низкую эмиссионную способность, прибор переключают на восстановление, для чего нажимают на кнопку SВ1.2 «Восстановление». При этом цепи проверки разрываются как по питанию, так и подключению к кинескопу, а цепи восстановления подсоединяются. Контакты SВ1.1.2 разрывают цепи ускоряющего электрода, а контакты SB1.2.2 подключают цепи модулятора и катода к умножителю напряжения на диодах VD5— VD7. Таблица 2.

Контакт вилки* Цепь Соединение с контактом панели кинескопа
61ЛКЗЦ, 59ЛКЗЦ, 67ЛКЗЦ 51ЛК2Ц 50ЛК1Б, 47ЛК2Б, 59ЛК2Б, 61ЛК1Б
Вилка ХР2
1 Накал 1 9 1
4 Фокусир. электрод 9 1 4
9 Ускор. электрод («синий») 13 7 Нет
10 Ускор. электрод («зеленый») 5 7 Нет
11 Ускор. электрод («красный») 4 7 3
12 Накал 14 10 8
Вилка ХРЗ
1 Модулятор («красный») 3 5 2 и 6
2 Модулятор («зеленый») 7 5 Нет
3 Модулятор («синий») 12 5 Нет
5 Катод («красный») 2 6 7
6 Катод («зеленый») 6 8 Нет
7 Катод («синий») 11 11 Нет

* Контакты 7 и 8 вилки ХР2 соединены перемычкой. При нажатии на кнопку SВ1.2 напряжение с части IIб обмотки трансформатора через контакты SВ1.2.1 поступает на утроитель. Переключатель SА1 накала кинескопа устанавливают в положение «7 В», а движок переменного резистора R1 — в верхнее по схеме положение. Загорание индикаторной лампы HL2 указывает на готовность прибора к восстановлению. Переключатель SА4 переключают в положение «К», если мала эмиссия «красного» катода, и кратковременно нажимают на кнопку SВ4. Бели эмиссионная способность восстанавливается, то индикаторная лампа HL2 резко гаснет. Так же восстанавливают эмиссию «зеленого» и «синего» катодов. Для этого переключатель SА4 устанавливают соответственно в положение «3» или «С» с последующим нажатием на кнопку SВ4. После восстановления кинескоп снова необходимо проверить на пригодность к эксплуатации. Причем перед нажатием на кнопку SВ1.1 нужно переключатель SА1 «Накал» установить в положение «7 В» и переменным регистром R1 добиться по прибору РА1 напряжения 6,3 В. Восстановленными можно считать, такие кинескопы, у которых эмиссия катодов соответствует отклонению стрелки не менее чем на 20 делений [1] В большинстве восстановленных кинескопов отклонение стрелки достигает 32 ... 40 делений. Если при проверке кинескопа оказалось, что эмиссия катодов увеличилась, но не достаточна для дальнейшей эксплуатации, то повторяют восстановление при повышенном напряжении накала 8 В, а затем и 9 В. С. ДАНИЛЬЧЕНКО, г. Воронеж ЛИТЕРАТУРА: 1 Глушко К. Прибор для проверки кинескопов,—Радио, 1981, № 5—6, с 61—63 2 Пиш К. Усовершенствование прибора для проверки кинескопов — Радио, 1984, № 3, с. 24—25. РАДИО № 10, 1991 г.

Обсудить эту статью на форуме (0 ответов).
Вся информация, предоставленная на данном ресурсе разрешена к ознакомлению детям школьного возраста. Все практическое использование может быть связана с повышенной электрической опасностью и разрешено детям только под присмотром взрослых.