Стабильный РМ на 140 МГц

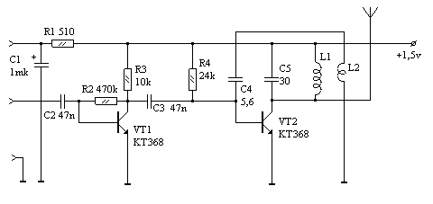
www.radio-portal.ru__bugs50В отличии от многих других, в этом РМ уход частоты, даже при касании рукой, минимальный за счет оригинального включения обратной связи.
При питании 1,5 В дальность передатчика составляет 150 метров, при этом уход частоты в диапазоне температур -20...+30 грд.С составляет 500 кГц.
Генератор ВЧ выполнен на транзисторе VT2. Высокая стабильность обеспечена благодаря введению положительной обратной связи (последовательная цепочка L2C4).
Катушка L1 содержит 6 витков провода ПЭЛ-0,53, намотанных на каркасе диаметром 3,5 мм; L2-3 витка провода ПЭЛ-0,25 поверх катушки L1.

Обсудить эту статью на форуме (0 ответов).
Вся информация, предоставленная на данном ресурсе разрешена к ознакомлению детям школьного возраста. Все практическое использование может быть связана с повышенной электрической опасностью и разрешено детям только под присмотром взрослых.