Радимикрофон -"КУЗЯ"-2м

Простая и легко исполнимая схема, критичность деталей не обязательна.Да и "мощу" можно раскачать приличную.

ТЕХНИЧЕСКИЕ ДАННЫЕ.
Диапазон------------------------------------- (88-108MHZ).
Модуляция----------------------------------- ( АМ )
Мощность----------------------------------- (>200млв)
Питание--------------------------------------- ( 9 в.)
Габариты------------------------------------- -зависит от деталей
Дальность------------------------------------- (1КМ в городе ) 2КМ поле.

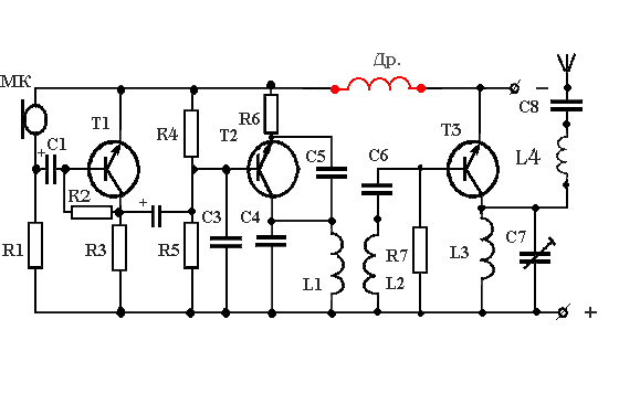
ДЕТАЛИ.
R1,R3,R4 - 4.7K
R2 - 100K
R5 -10K
R6 - 270
R7 - 75K
C1,C2 - 3.3MK
C3 - 6800
C4 - 22
C5 - 15
C6 - 120
C7 - 3-25
C8 - 6.8
T1,T2 - КТ-315, КТ-312Б
T3 - КТ603Д.
MK - МКЭ-332
L1 - 5W. L2 - 2W. L3 -5W. ( D-0.5мм) L4 - 10W (D-0.3мм)

Устойчивость и мощность, сильно зависят от расстояния между катушками L1 и L2, расстояние подбирается опытным путем.

МОНТАЖНАЯ ПЛАТА.

Плата двухсторонняя, на нижнею "кинуть" +, будет противовесом.

СОВЕТЫ ПО НАСТРОЙКЕ.

Настройку производить на деревянном столе, без металлических предметов, и радиоприборов, подальше от компьютера.
Включить р/м, поднести волномер к катушке генератора, настроить конденсатором волномера по максиму прибора. Если нет отклонения стрелки, проверить монтаж, питание, попробовать заменить транзистор генератора. Если есть значительное отклонение, генератор работает. Теперь включите приемник и пройдитесь по всему диапазону, может быть так, что в нескольких точках есть подавление, тогда удалите приемник более 3 метров и пройдитесь еще. Так можно найти истинное излучение, а не гармонику. Очень хорошо это делать приемником у которого есть индикатор точной настройки на светодиоде. Выключите питание, подавление исчезнет, появится эфирные шумы. Если будет слышна радиостанция, сдвиньте настройку, а то потом при работе р/м она будет мешать, мощности у ней больше!
Перестройку генератора можно осуществить изменением емкости контура или изменять расстояние между витками катушки контура. Емкость крутить диэлектрической отверткой, можно сделать ее из эбонита, оргстекла, или и твердой породы дерева.
Очень важно подобрать транзистор генератора, верхняя граница частоты транзистора должна быть в два раза больше рабочей частоты. И должен быть стабилен в работе, иногда приходится менять несколько штук.
Если р/м с усилителем мощности, все проделать также, с начало генератор, потом усилитель мощности.
Теперь поднести к антенне р/м, она должна быть больше чем указанно, и от конца медленно провести волномер. Заметить самое сильное отклонение стрелки, и обрезать в этом месте.
Между генератором и усилителем мощности можно поставить экран (припаять полоску жести) и заземлить ее.
Антенну можно изготовить из тонкого коаксиального кабеля, используя оплетку кабеля. Можно монтажный провод намотать на спицу, получиться спиральная антенна, в этом случае будет короткой и очень эффективной. А можно на плате припаять дугу (4), тоже нормально, не будет видно антенну.

Катушки контуров хорошо делать из посеребренного провода, КПД лучше. Концы транзисторов делать как можно короче.
Можно конечно делать печатный монтаж, но лучше взять двухсторонию плату, нижняя сторона будет экраном (противовесом), а на верхней собирать навесным способом. Тогда можно использовать детали любых габаритов, собрать компактную схему, дорожки резать резаком из ножовочного полотна.
В конце испытать на расстояние, если будет не большим, все повторить еще раз.
После окончательной настройки, катушки контуров залить воском, загнать в корпус
Питание р/м конечно должно не менее 6 вольт, чем больше питание тем больше мощность. Проигрываешь в габаритах, выигрываешь в расстояние.

Схема простого волномера. (В. Полякова)

фото 1. Фото сборки, где монтаж сделан навесным способом, во-первых паять проще и детали разных размеров можно клепать компактно.


- Для улучшения работы ВЧ усилителя, можно включить высокочастотный дроссель, дроссель намотан проводом ПЭВ-0.4мм на оправке диаметром 2.5мм и содержит 60 витков.

- При настройке, отключить эмиттер Т3 и настроить по частоте на приемник, потом подключить эмиттер и настроить по индикатору поля мощность.

Значительно увеличится дальность, если выход подключить к антене "SHELL"
(Основа антенны "SHELL" изоляция то коаксиального кабеля, центральная жида вынута. )

Обсудить эту статью на форуме (0 ответов).
Вся информация, предоставленная на данном ресурсе разрешена к ознакомлению детям школьного возраста. Все практическое использование может быть связана с повышенной электрической опасностью и разрешено детям только под присмотром взрослых.