Низковольтный радиомикрофон

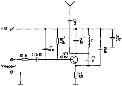
www.radio-portal.ru__bugs41Схема, представленная на рисунке, начинает работать уже при напряжении питания 0,8 В, при этом ток потребления составляет 0,5 мА с дальностью приема около 50 м.


Задающий генератор выполнен на транзисторе VT1, положительная обратная связь определяется конденсатором С7.


Выходной контур С4, L1 настраивается на частоту примерно 94 МГц подбором конденсатора С4 и сдвиганием или раздвиганием витков катушки L1. Режим по постоянному току генератора задается резистором R2.


Катушка L1 выполнена бескаркасной с диаметром намотки 6 мм и имеет 8 витков, намотанных в ряд проводом ПЭЛ-0,35. Микрофон - типа МКЭ-3.

Обсудить эту статью на форуме (0 ответов).
Вся информация, предоставленная на данном ресурсе разрешена к ознакомлению детям школьного возраста. Все практическое использование может быть связана с повышенной электрической опасностью и разрешено детям только под присмотром взрослых.