Предлагаются три схемы радиомикрофонов. При испытании прием осуществляется на УКВ-приемник китайского производства, настроенных на частоту 100 МГц и работающий со штыревой антенной длиной около 40 см.
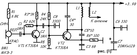
В ходе эксперементов выяснилось, что необходимую девиацию частоты передатчика можно получить и без применения варикапов. Его схема показана на рисунке (1). Такой радиомикрофон сохранаяет работоспособность в диапозоне питающих напряжений 3...12В. Следует, одако, учитывать, что при изменении напряжения питания будет наблюдаться и существенное изменение рабочей частоты. При напряжении питания 4,5 В радиомикрофон потребляет ток около 4 мА. Дальность его действия в открытом пространстве достигала 50...6 м. Акустическая чувствительность применяемого микрофона МКЭ-3 обеспечивает нормальную работу устройства на расстоянии 3...4 м от говорящего человека. |
 |
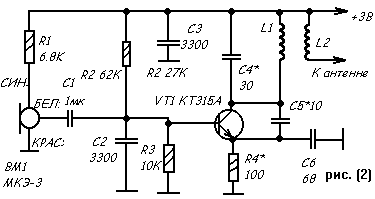
Попытки упростить схему привели к созданию радиомикрофона всего на одном транзисторе (рисунок (2)). При напряжении питания 3 В он потребляет ток 1,5 мА и обеспечивает дальность действия 35...40 м при расстоянии от источника звука 10...15 см. |
 |
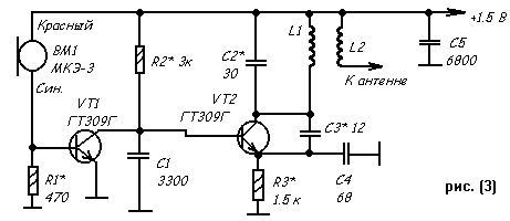
Оба микрофона почти не требуют налаживания (кроме установки рабочей частоты). Чтобы избавиться от ухода частоты из-за влияния руки оператора, микрофон необходимо поместить в металлический корпус или экран из фольги, соединенный с общим проводом. При тщательном подборе элементов удавалось добиться работы микрофонов от источника питания напряжением 1,5 В, однако она была крайне неустойчива. По этой причине пришлось собрать радиомикрофон на германиевых транзисторах (рисунок (3)). Он способен работь от источника напряжением 1,5...0,9 В, потребляемый ток при этом составлял 1 мА, а дальность действия равнялась 10...15м при расстоянии 1 м от источника звука. Этот микрофон очень чувствителен к номиналам элементов и напряжению питания. Например, при попытке повысить последнее до 3 В транзистор VT2 закрывался и не работал. Настраивая микрофон, следует подбором резистора R1 добиться, чтобы при напряжении питания 1,5 В ток эмиттера транзистора VT1 был около 0,3 мА. После такой настройки радиомикрофон сохраняет работоспособность при снижении питания до 0,9 В.
Катушки L1, L2 всех трех конструкций бескаркасные. Они намотаны на оправке диаметром 7 мм и содержат соответственно 6 и 2 витка посеребренного провода диаметром 0,5 мм. Катушка L2 |
 |
На рис.4 дана схема радиомикрофона, в базовую цепь смещения которого включен в качестве управляемого резистора электретный микрофон.
В качестве антенны использован отрезок гибкого многожильного провода длиной 20...40 см. Потребляемый устройством ток - около 1 мА. |
 |
Устройство, представленное на рис.5, представляет собой телефонный радиоадаптер параллельного типа и предназначено для трансляции звуковых сигналов по высокочастотному каналу. Устройство может питаться непосредственно от телефонной линии 60 В, потребляя при этом ток до 2 мА; при снятии телефонной трубки (снижении напряжения питания) радиомикрофон отключается.
Всхеме использовано каскодное включение транзисторов, при котором для сигналов низкой частоты нагрузкой в коллекторной цепи транзистора VT2 является высокочастотный генератор, выполненный на транзисторе VT1. В свою очередь, для токов высокой частоты в эмиттерной цепи транзистора VT1 использован каскад усиления на транзисторе VT2.
При питании устройства от телефонной линии подключать антенну не обязательно, поскольку сама телефонная линия играет роль достаточно протяженной антенны. Прием высокочастотных сигналов возможен на портативный ЧМ-приемник вдоль телефонной линии; при удалении от линии на несколько метров сигнал быстро затухает. В схеме предусмотрена возможность автономного или резервированного питания от батареи напряжением 9 В. В этом случае устройство становится обычным радиомикрофоном, и к нему необходимо подключить антенну. Устройство имеет защиту от неправильного подключения источника питания и от превышения напряжения - диод VD1 и стабилитрон VD2. Так, при неправильной полярности подключения устройство не будет работать, а если подать напряжение 60 В с телефонной линии на вход питания 9 В, телефонная линия через резистор R1 и стабилитрон VD2, а также за счет своего внутреннего сопротивления ограничивает ток короткого замыкания, и элементы схемы защищены.
Устройство имеет габариты 35х10х10 мм. Транзистор VT1 может быть заменен на КТ611БМ, VT2 - на КТ315Г. |
Рис.5 |
На рис.6 показана схема полифункционального назначения. При включении в гнездо XS1 "ВЫХОД" высоко-омного (более 200 Ом) телефонного капсюля или подключении внешнего УНЧ (например магнитофона) устройство представляет собой высокочувствительный усилитель низкой частоты с регулируемым коэффициентом усиления. В таком режиме включения устройство можно использовать в качестве слухового аппарата. При подключении вместо электретного микрофона много-витковой катушки с ферритовым, пермаллоевым или железным сердечником устройство может быть использовано для организации индуктивной связи, индикации телефонных звонков, считывания сигналов звуковой частоты с телефонной трубки или звонковой катушки телефонного аппарата, поиска источников переменных магнитных полей и т.д. Если штеккер телефона вынут из гнезда XS1, устройство автоматически преобразуется в радиомикрофон, высокочастотный генератор которого выполнен на транзисторе VT2 КТ645А. Потенциометр R5 определяет величину девиации частотномодулированного сигнала.
Во всех схемах использованы бескаркасные катушки индуктивности, имеющие внутренний диаметр 4 мм и содержащие 5 витков провода ПЭВ-2 диаметром 0,56 мм. Необходимая рабочая частота устанавливается сдвиганием/раздвиганием витков катушки, варьированием количества и диаметра ее витков, подбором конденсатора колебательного контура. Корпус электретного микрофона во всех случаях соединен с общим проводом.
|
Рис.6 |
 |
 |
 |