Простой радиомикрофон

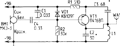
www.radio-portal.ru__bugs12Предлагаю схему радиомикрофона, которую может повторить даже начинающий радиолюбитель. Схема проста в налаживании, имеет немного деталей и отличается высоким качеством передаваемого сигнала.
Радимикрофон работает в диапазоне 66...74 МГц.
Частотная модуляция осуществляется с помощью варикапа. Катушка индуктивности L1 для УКВ - диапазона содержит 6 витков провода ПЭВ-2 0,5 мм. Она намотана на каркасе диаметром 4 мм; шаг намотки 1...1,5 мм. Частота генератора изменяется сдвиганием (раздвиганием) витков катушки L1. Антенной служит кусок провода диаметром 1...3 мм, длиной 15...30 см. Радиус действия радио- микрофона - 10...15 м. Питание радиомикрофона - от аккумуляторной батареи 7Д-0,115 или от других элементов питания.

Обсудить эту статью на форуме (0 ответов).
Вся информация, предоставленная на данном ресурсе разрешена к ознакомлению детям школьного возраста. Все практическое использование может быть связана с повышенной электрической опасностью и разрешено детям только под присмотром взрослых.