Радиопередатчик с частотной модуляцией

bugs23Этот радиомикрофон работает в диапазоне 100-108 МГц с частотной модуляцией. Дальность приема сигнала составляет около 50 м. Питание устройства осуществляется от источника питания от 1,5 до 9 В.
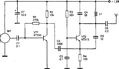
Принципиальная схема представлена на рисунке. Передатчик состоит из однокаскадного усилителя звуковой частоты и однокаскадного генератора высокой частоты. Задающий генератор собран по распространенной схеме. Частота несущей определяется элементами С4, L1, С5 и межэлектродными емкостями транзистора VT2. Модулирующий усилитель выполнен на транзисторе VT1 типа КТ315. Усиленный сигнал через конденсатор С2 поступает на эмиттер транзистора VT2 типа КТ315. Модулирующее напряжение вызывает изменение емкости перехода база-эмиттер транзистора VT2 и, тем самым, осуществляет частотную модуляцию задающего генератора. Сигнал с генератора через конденсатор С6 поступает в антенну, в качестве которой используется отрезок провода длиной 10-40 см.
Катушка L1 бескаркасная, намотана на оправке диаметром 3 мм и содержит 4 витка провода ПЭВ 0,6 мм, шаг намотки 2 мм.
Настройка радиомикрофона заключается в сжатии или растяжении витков катушки L1 для приема сигнала в свободном от вещательных станций участке УКВ диапазона вещательного приемника.

Обсудить эту статью на форуме (0 ответов).
Вся информация, предоставленная на данном ресурсе разрешена к ознакомлению детям школьного возраста. Все практическое использование может быть связана с повышенной электрической опасностью и разрешено детям только под присмотром взрослых.