Чувствительный радиомикрофон

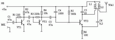
bugs45Этот РМ обеспечивает дальность передачи до 300 м при токе потребления 10-15 мА. Высокая чувствительность микрофона обеспечивается двухкаскадным усилителем ЗЧ, ввиду чего в схеме можно применить любой малогабаритный микрофон. Коэффициент усиления задается резисторами R2, R3.
Задающий генератор ВЧ выполнен на транзисторе VT3 типа КТ368. Режим по постоянному току задается резисторами R5, R6 (их подбирают по максимальному КПД генератора).
Контур C7L1 настраивается на частоту 92...96 МГц. Емкость конденсатора обратной связи должна составлять 10...15 пФ. Катушка L1 состоит из 8 витков посеребрянного провода диаметром 0,9 мм, намотанных на оправе диаметром 6 мм, с отводом от третьего витка. Антенна - кусок провода длинной 30...50 см.

Обсудить эту статью на форуме (0 ответов).
Вся информация, предоставленная на данном ресурсе разрешена к ознакомлению детям школьного возраста. Все практическое использование может быть связана с повышенной электрической опасностью и разрешено детям только под присмотром взрослых.