Передатчик на LM317

Несколько лет назад я собрал одну из моих конструкций, которая работала не так как нужно и выдавала нечто странное. Блок питания для переносного радиоприемника генерировал ВЧ колебания! Ошибка заключалась в неверных соединениях на печатной плате. После небольшого расследования я применил полученный эффект для постройки CW QRP передатчика , сердцем которого стал интегральный стабилизатор напряжения LM317T (К142ЕН12. Прим. переводчика).

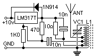
Приведенная схема практически не нуждается в объяснениях. Она работает при питающем напряжении 10 вольт и выдает стабильное напряжение 4,5 вольта. LM317 применен как активный элемент генератора ВЧ, частота зависит от параметров контура VC1/L1. Первый отвод сделан от 3% общего количества витков L1. Второй отвод сделан от 6% общего количества витков и подключен к регулирующему выводу LM317, выход на антенну сделан от 12% витков все той же катушки, мощность, поступающая в антенну может составлять несколько ватт. Я не вижу препятствий для повышения мощности этого передатчика, тем более, что я сам проверил его на диапазоне 1,8 МГц и провел несколько CW QSO. Возможно также использование этой конструкции на новом диапазоне 70 кГц (В СНГ такого диапазона нет, можно предложить диапазон 136 кГц. Прим. переводчика), но я не знаю, насколько эффективно он будет работать. Я всего лишь привел выдержку из моей рабочей тетради и оставляю открытыми возможности для всевозможных экспериментов.

Отправная точка для расчетов контура VC1/L1, L1 - обычная формула: количество витков численно равно длине волны в метрах и максимальному значению VC1 в пикофарадах (необходимо умножить на 2, поскольку это переменный конденсатор).

Развлекайтесь, но если вы добьетесь небывалых успехов, например "выжмете" мощность более 10 ватт, то дайте мне знать об этом!

Harry Lythall (SM0VPO)

http://members.xoom.com/_XMCM/sm0vpo/index.htm

Обсудить эту статью на форуме (0 ответов).
Вся информация, предоставленная на данном ресурсе разрешена к ознакомлению детям школьного возраста. Все практическое использование может быть связана с повышенной электрической опасностью и разрешено детям только под присмотром взрослых.