Схема собиралась из того что было под руками для проведения опытов на частоте передатчика 700МГц. В скором времени должно появиться устройство, рассчитанное именно на этот диапазон.

Схема.

Печатная плата.

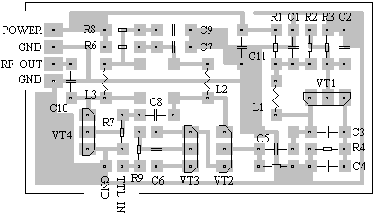
Размещение элементов на печатной плате.


Дросселя - провод диаметром 0.23мм, длинной 1/4 длинны волны намотан на каркас из центрального изолятора коаксиального, телевизионного кабеля.
Схема работает устойчиво с отличным качеством сигнала. Дальность связи с этим передатчиком 50..100м, небольшая мощность обусловлена применением транзисторов с низкой граничной частотой 900МГц.. На более высокие частоты транзисторы в аналогичном варианте не выпускаются или они не распространены.
Надо обратить внимание на намотку дросселей. На большой частоте возрастает влияние паразитных емкостей, в том числе и межвитковых емкостей дросселей, поэтому витки дросселя следует немного раздвинуть.