Аппаратура пропорционального управления

Аппаратуру пропорционального управления моделями изготавливают многие зарубежные фирмы. В основном это импульсная многоканальная аппаратура, укомплектованная рулевыми машинками. Ее схемные решения вполне могут быть использованы для изготовления аппаратуры в любительских условиях.

Известный чешский инженер-конструктор В. Валента так и поступил. Он взял за основу аппаратуру системы "Телепроп", внес в нее необходимые изменения и изготовил свой, модернизированный вариант. Описание этой аппаратуры познакомит читателя с тем, как на практике реализуют один из принципов построения импульсной многоканальной радиолинии пропорционального управления. Особенность этой системы в том, что при передаче на борт радиоуправляемой модели информации о положении ручек управления командодатчиков применяется широтно-импульсная модуляция (ШИМ) с временным разделением каналов управления и синхропаузой (рис. 1). Модулирующий сигнал формируют тактовый (Т=20 мс) и многофазный регулируемый мультивибраторы, дифференцирующие цепи, диодные суммирующие ячейки и выходной одновибратор.

 

ru-pr11.png
Рис. 1. Эпюры, поясняющие структуру им-пульсной последовательности в командных каналах

На рис. 2 показана принципиальная схема четырехканального шифратора. Мультивибратор на транзисторах VT2, VT3 запускает многофазный мультивибратор, транзисторы VT4-VT7 которого открыты током базы через резистивные цепи.

 

ru-pr12.png
ru-pr12.png

Предположим, что в начальный момент времени транзистор VT3 закрыт. Конденсатор СЗ заряжается до некоторого напряжения, зависящего от положения движка переменного резистора R6. При переключении мультивибратора транзистор VT3 откроется и напряжение конденсатора СЗ закроет транзистор VT4.

Транзистор VT4 будет закрыт до тех пор, пока конденсатор СЗ не разрядится через цепь R8, R9. Таким образом, время переключения транзистора VT4 зависит от положения движка переменного резистора R6, соединенного с управляющим рычагом командодатчика, и от положения движка подстроечного резистора R8, устанавливающего ширину импульса при нейтральном положении этого рычага.

К коллектору транзисторов VT3- VT7 подключены дифференцирующие цепи С7, R7, С8, R12 и т. д., подключенные через диоды VD1-VD5 к сборной линии. На ней формируется сигнал, состоящий из синхропаузы и продифференцированных коротких импульсов, возникающих в начале и конце канального интервала. Эпюры коллекторного напряжения транзисторов шифратора показаны на рис. 3.

 

ru-pr13.png
Рис. 3. Эпюры напряжения на коллекторах транзисторов шифратора

Модулирующий транзистор передатчика работает как ключ, который в ритме модуляции подключает напряжение питания к выходной ступени. Так как узкие импульсы на сборной линии (рис. 4) из-за разброса номиналов элементов дифференцирующих цепей имеют разную длительность, то модулятор формирует модулирующий сигнал в виде импульсов с определенными параметрами. Для этой цели предназначен одновибратор на транзисторах VT8, VT9 (рис.2), постоянную времени которого выбирают соответственно длительности импульса. Транзистор VT9 одновременно служит модулятором.

 

Для налаживания шифратора необходим осциллограф с калибровкой временной развертки. К шифратору подключают батарею с напряжением 12 В. По осциллографу проверяют эпюры коллекторного напряжения (рис. 3).

Подстроечным резистором R2 устанавливают необходимую длительность периода мультивибратора (20 мс). Длительность каждого канального импульса при нейтральном положении рычага командодатчика должна быть 1,5 мс. При переводе рычага командодатчика в крайние положения длительность канального импульса изменяется соответственно на +0,5 или -0,5 мс. Таким образом, пределы изменения длительности импульса 1-2 мс. Подстроечными резисторами R8, R13, R18, R23 устанавливают необходимую длительность импульса в каждом канале при нейтральном положении рычага. С рычагами в командодатчике передающего устройства механически связаны движки переменных резисторов R6, R11, R16 и R21.

Далее контролируют по осциллографу напряжение на сборной линии. Коллектор транзистора VT9 через резистор сопротивлением 100 Ом временно соединяют с общим проводом (с минусовым выводом источника питания). Эпюра напряжения должна соответствовать рис. 5. Конденсатор С13 предназначен для придания импульсам модулирующего сигнала формы трапеции.

 

ru-pr15.png
Рис. 5. Эпюра напряжения на выходе модулятора.

Такая форма импульса снижает уровень гармоник в высокочастотном сигнале, сужает полосу излучения и повышает выходную мощность передатчика. Если длительность импульса отличается от 200 мкс, то ее изменяют подборкой конденсатора С12. Замыкающий резистор сопротивлением 100 Ом снимают- шифратор можно подключать к передатчику.

Задающий генератор передатчика (рис. 6) выполнен по схеме с кварцевой стабилизацией частоты. Связь между ступенями индуктивная. К коллектору транзистора выходного каскада подключен П-фильтр С5, L4, С6, который эффективно подавляет гармонические составляющие. Катушка L5 - согласующая. Рекомендуемая длина антенны-1400 м. В передатчике могут быть применены следующие отечественные транзисторы: VT1 -серийКТ315-КТ316; КТ306А- КТ306В, КТ603; VT2 - серий КТ603. КТ904А, КТ606А.

 

ru-pr16.png
ru-pr16.png

Рис. 6. Схема передатчика.

Катушки имеют следующие характеристики: L1 - 14 витков провода ПЭВ-2 0,8 на каркасе диаметром 8 мм с ферритовым подстроечником длиной 10 мм; L2-5-6 витков монтажного провода диаметром 0,8 мм. в хлорвиниловой или фторопластовой изоляции, L2 наматывают поверх L1; L4-7 витков провода ПЭВ-2 0,8 на таком же каркасе, как и L1; L5 -19-25 витков ПЭВ-2 0,3 на том же каркасе (число витков подбирается в зависимости от длины примененной антенны).

Кварцевый резонатор применяют на частоту 27,12 МГц+0,05%. Рекомендуется испытывать передатчик с полностью развернутой антенной. При эксплуатации передатчика без антенны, опасна тепловая перегрузка оконечного транзистора. "Удлинительную" катушку L5 антенны, если она применена, настраивают по индикатору напряженности поля. Корпус передатчика соединяют с общим проводом в одной точке.

На рис. 7 показан чертеж печатной платы передатчика. Плата показана со стороны деталей. Для питания передатчика применяют батарею из десяти никель-кадмиевых аккумуляторов ЦНК-0,45 или ЦНК-0.9У2. Запасным источником питания могут служить три батареи 3336, соединенные последовательно.

 

ru-pr17.png
ru-pr17.png

Pис. 7

Окончательно настраивают передатчик после установки его в корпус. Одновременно подстраивают "удлинительную" катушку антенны, при этом передатчик должен быть в руках. Мощность передатчика приблизительно равна 500 мВт. Рекомендуется оконечный транзистор передатчика установить на теплоотвод.

Бортовая часть аппаратуры содержит приемник, дешифратор, четыре одинаковых сервоусилителя и рулевые машинки. Приемник представляет собой супергетеродин, настроенный на фиксированную частоту. Для обеспечения бесподстроечной. связи гетеродин приемника собирают по схеме генератора с кварцевой стабилизацией частоты. Схема приемника изображена на рис. 8. На входе приемника применен полосовой фильтр, отделяющий антенну от входного транзистора VТ1. Это увеличивает избирательность и уменьшает обратное излучение гетеродина в антенну, позволяет без перестройки входных контуров применить любой высокочастотный канал в частотных пределах, выделенных для радиоуправления моделями, путем простой замены кварцевого резонатора. При этом разница по частоте между соседними каналами может быть равна 0,01 МГц.

 

ru-pr18.png
ru-pr18.png

Рис 8 Схема приемника.

Гетеродин работает на частоте, которая ниже частоты принимаемого сигнала на 465 кГц. Диод VD3 служит детектором сигнала, a VD2 - детектором сигнала АРУ. Напряжение сигнала для АРУ снимается с первичной обмотки трансформатора промежуточной частоты (трансформаторами промежуточной частоты В. Валента называет фильтры промежуточной частоты, представляющие собой одиночные контуры с катушкой связи) и выпрямляется кремниевым диодом, который одновременно определяет рабочую точку смесителя и транзисторов усилителя промежуточной частоты. Четкая работа системы АРУ .важна, главным образом, при небольших расстояниях приемника от передатчика.

Приемник рассчитан на применение готовых деталей, в том числе и трансформаторов промежуточной частоты. Промежуточная частота может быть в пределах от 455 до 468 кГц. Показателем качества трансформатора высокой частоты является добротность. Она должна быть равна 120-140. Ширина полосы принимаемого сигнала 8-10 кГц. Монтировать приемник следует на одной плате. Монтаж может быть любым. Каркасы катушек L1 и L2 имеют диаметр 5 мм. Подстраивают катушку ферритовыми сердечниками, расстояние между осями катушек равно 9 мм (необходимо строго выдерживать это расстояние).

Катушки намотаны проводом ПЭВ-2 0,3; L1 содержит 10 витков, а L2-13 витков с отводом от третьего витка, считая от заземленного через конденсатор C3 конца. Высокочастотный дроссель L3 наматывается на изоляционном каркасе диаметром 3 мм и длиной 11 мм проводом ПЭВ-2 0,06 виток к витку до заполнения. Дроссель можно намотать и на резисторе МЛТ-0,5 сопротивление не менее 100 кОм.

Налаживание приемника заключается в настройке входного полосового. фильтра и трансформаторов промежуточной частоты. Автор рекомендует настраивать приемник по сигналам передатчика с укороченной антенной. Если настраивать приемник от генератора стандартных сигналов, необходимо очень точно знать частоту передатчика и настроить на нее генератор. Перед настройкой к приемнику подключают антенну длиной 1 м, а к выходу-высокоомные телефоны.

Сначала настраивают входной фильтр L1C1 и по мере увеличения чувствительности передатчик удаляют на такое расстояние, чтобы сигнал в телефоне был слышен слабо, и снова добиваются максимума при настройке (в том числе и уточнением режима транзистора VT4). Затем подстраивают трансформаторы промежуточной частоты.

Схема дешифратора приемника представлена на рис. 9. Диод VD1 предназначен для того, чтобы не пропустить сигнал помехи с амплитудой меньше прямого падения напряжения на нем, т. е. около 0,6 В. Амплитуда полезных сигналов, поступающих, с выхода приемника, равна приблизительно 1,1 В.

 

Схема дешифратора приемника
Схема дешифратора приемника

Схема дешифратора приемника

Полезный сигнал поступает на базу транзистора VT1, работающего инвертором. Транзисторы VT2 и VT3 - усилители-формирователи импульсов. Транзистор VT4 в отсутствие сигнала закрыт, и конденсатор С6 заряжен до полного напряжения питания. Первый же импульс откроет транзистор VT4 и разрядит этот конденсатор. На транзисторах VT5 и VT6 собран триггер Шмитта, который периодически открывает транзистор VT7, а он в свою очередь в эти моменты пропускает тактовые импульсы напряжения на сборную линию. Транзисторы VT8, VT10, VT12, VT14 входят в состав триггеров сдвигового регистра. Через диод VD2 запускается первый триггер регистра.

Эпюры коллекторного напряжения на транзисторах дешифратора и форма канальных импульсов на. эмиттерах транзисторов VT9, VT11, VT 13, VT15 показаны на рис. 10. Сдвиговый регистр на транзисторах различной структуры очень прост и вполне конкурентоспособен по сравнению с регистром на транзисторах, применяемых рядом зарубежных фирм. В дешифраторе следует использовать транзисторы с коэффициентом h21э>50.

 

ru-pr110.png
Рис. 10. Эпюры напряженна в дешифраторе

Налаживание дешифратора несложно. Сначала подбирают резистор R3 так, чтобы на коллекторе транзистора VT1 было напряжение 1,5-2,5 В. Сопротивление резистора изменяют в пределах 430-820 кОм.

Завершающим звеном бортовой аппаратуры является электронный блок рулевой машинки. В системе использованы рулевые -машинки "Вариопроп". Принципиальная схема электронного блока рулевой машинки представлена на рис. 11. Назначение блока-совместно с двигателем рулевой машинки преобразовать длительность поступающих с дешифратора импульсов в механическое отклонение рычага рулевой машинки, пропорциональное длительности канального импульса, которая в свою очередь пропорциональна отклонению рычага командо-датчика. Одновибратор, собранный на транзисторах VT1 и VT2 и запускаемый фронтом входного канального положительного импульса, генерирует импульс отрицательной полярности. Оба импульса - положительный канальный и отрицательный одновибратора поступают через резисторы R13 и R14 в точку А для сравнения.

 

ru-pr111.png
ru-pr111.png

Рис. 11. Схема электронного блока рулевой машинки

При запуске одновибратора и нейтральном положении рычага рулевой машинки с коллектора транзистора VT2 в точку А поступает отрицательный импульс длительностью 1,5 мс. Длительность импульса одновибратора регулируют переменным резистором R2, движок которого механически связан с выходным валом рулевой машинки. В результате сравнения образуются короткие импульсы, полярность которых зависит от направления движения рычага командодатчика из нейтрального положения. При одинаковой длительности сравниваемых импульсов сигнал на вход усилителя постоянного тока, питающего рулевую машинку, не поступает, поэтому вал электродвигателя рулевой машинки не вращается.

Рассмотрим случай, когда импульсы одновибратора уже канальных. После вычитания получим положительные импульсы, длительность которых тем меньше, чем меньше разница .в длительности сравниваемых импульсов. Положительные импульсы открывают ключ на транзисторе VT4 и заряжают интегрирующий конденсатор С6 отрицательным по отношению к средней точке источника питания напряжением, которое поступает на усилитель постоянного тока на транзисторах VT6, VT8. Электродвигатель Ml включается и через понижающий редуктор перемещает вал руля и связанный с ним движок переменного резистора R2 вниз по схеме. Длительность положительного импульса одновибратора увеличивается и, когда она сравняется с длительностью канального импульса, напряжение в точке А станет равным нулю. Транзистор VT4 закроется, конденсатор С6 разрядится до половины напряжения питания, транзисторы VT6 и VT8 закроются, двигатель остановится.

Однако система, содержащая интегрирующие звенья (конденсатор С6 и электродвигатель рулевой машинки), обладает инерционностью. Поэтому двигатель необходимо .выключить несколько ранее того момента, когда станут одинаковыми сравниваемые импульсы. Для этого вводят отрицательную обратную связь, поскольку иначе начнутся механические колебания выходного вала рулевой машинки. Напряжение отрицательной обратной связи с выхода усилителя рулевой машинки подано на вход одновибратора через резисторы R6 и R8.

В случае, когда импульс одновибратора имеет большую длительность, чем канальный, в точке А образуются отрицательные импульсы. Они открывают ключ на транзисторе VT3, конденсатор С6 заряжается положительно по отношению к передней точке источника питания, открываются транзисторы VT5 и VT7, и двигатель вращается в обратную сторону, перемещая движок переменного рези-стора R2 вверх по схеме. Как только входной канальный импульс по длительности сравняется с импульсом одновибратора, вращение вала двигателя рулевой машинки прекратится.

Резистор R12 и конденсатор С1 образуют фильтр в цепи питания одновибратора, необходимый для развязывания цепей питания одновибраторов, так как при работе рулевых машинок перепады тока, а значит, и колебания напряжения питания -значительны. Это приводит к изменению параметров импульсов одновибратора и нарушает пропорциональность отклонения рычага передатчика в рулевой машинки.

К преимуществам описанного электронного блока по сравнению с аналоговыми следует отнести то, что оконечный усилитель работает в ключевом режиме открыт или закрыт. Время, в течение которого усилитель находится в закрытом или открытом состоянии, зависит от амплитуды проинтегрированного пилообразного напряжения. Как только разница в длительностях импульсов канала и одновибратора начнет приближаться к нулю, амплитуда пилообразного напряжения станет минимальной. При этом на электродвигатель поступают импульсы малой длительности, и он, замедляясь, доводит руль до нужного положения.

Рассмотренный принцип широко применяют при создании аппаратуры пропорционального управления. Схемные решения отличаются большим разнообразием, например, способом запуска одновибратора, включением переменного резистора в механической обратной связи, изменением полярности или усилением входного канального импульса, заменой усилителя на транзисторах VT5, VT6 триггером Шмитта и т.д.

Электронный блок рулевой машинки монтируют на отдельной плате. На ней размещают все элементы, кроме переменного резистора R2 и электродвигателя М1. Рассмотрим процесс налаживания электронного блока рулевых машинок. Подборкой резисторов R1 и R3 устанавливают максимальный поворот рычага рулевой машинки. При этом удобно пользоваться управляющими сигналами передатчика. Вход электронного блока подключают к дешифратору. Гибкими проводниками подключают к плате выводы от переменного резистора R2 и электродвигателя. Включают питание, но средний вывод батарей пока оставляют свободным. Рычаг рулевой машинки устанавливают в нейтральное положение. Временно вместо резистора R4 подключают переменный резистор сопротивлением 47к0м. На экране осциллографа наблюдают эпюры напряжения в отдельных точках. Они должны соответствовать рис. 12.

 

ru-pr112.png
Рис. 12. Эпюры напряжений в одновибраторе.

Затем подключают осциллограф к точке А и наблюдают форму напряжения, изображенную на рис. 13,а-г. С дешифратора должны поступать импульсы, соответствующие нейтральному положению рычага командодатчика. Длительность этих импульсов - 1,5 мс.

 

ru-pr113.png
Рис. 13. Эпюры напряжений в точке А

Переменным резистором, включенным вместо R4, устанавливают такое на-пряжение смещения на базе транзистора VT1, чтобы в точке А форма сигнала соответствовала рис. 13,а или е. Подбирая резисторы R13 или R14, нужно добиться того, чтобы выброс напряжения наблюдался только в начале и конце канального импульса (рис.13,яс). Измерив сопротивление переменного резистора, соответствующее этому случаю, впаивают на плату постоянный резистор R4 с таким же сопротивлением. Теперь подключают средний вывод батареи. Двигатель рулевой машинки должен при этом остаться в нейтральном положении, а при изменении команды, т. е. при перемещении рычага командоотдатчика передающего устройства, он должен равномерно вращаться. Транзисторы структуры р-п-р в усилителе постоянного тока следует применять с коэффициентом передачи тока базы h21э>80.


ПРОПОРЦИОНАЛЬНОЕ УПРАВЛЕНИЕ СКОРОСТЬЮ МОДЕЛИ С ХОДОВЫМ ЭЛЕКТРОДВИГАТЕЛЕМ

Большинство авто- и судомоделей приводится в движение электродвигателями. Развитие модельной техники пропорционального управления позволило решить задачу реверса ходового электродвигателя и плавное регулирование частоты вращения его вала в обоих направлениях. Плавное регулирование скорости движения дает возможность проводить модель безошибочно по сложным трассам.

Рассмотрим один из вариантов пропорционального управления частотой вращения ходового электродвигателя. Электронный блок этого своеобразного механизма преобразует длительность канальных импульсов в частоту вращения вала ходового электродвигателя и обеспечивает его реверсирование. Для управления таким блоком подходят импульсные системы пропорционального многоканального радиоуправления, у которых длительность канальных импульсов находится в пределах от 1+0,5 до 2+0,5 мс. Амплитуда канальных импульсов должна быть 4-9 В.

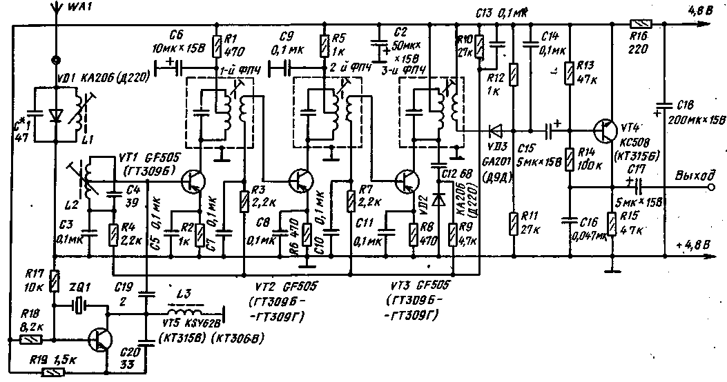
Схема блока управления частотой вращения вала электродвигателя изображена на рис. 1. В этом блоке могут работать электродвигатели с потреблением тока от 0,2 до 10-Л2 А. Блок надежен в работе, его особенность - отсутствие обратной связи.

 

ru-pr114.png
ru-pr114.png

С дешифратора на вход блока поступают канальные импульсы положительной полярности. Импульсы после дифференцирования конденсатором С3 фронтом запускают одновибратор на транзисторах VT1, VT2. На коллекторе транзистора VT2 (точка в) формируются импульсы отрицательной полярности калиброванные по длительности. Эпюры напряжения в разных точках блока показаны на рис. 2. Они сняты для случая питания блока напряжением 6 в а электродвигателя - 12 В. Длительность канального импульса равна 1 мс и изменяется в процессе управления на +0,2 мс.

 

ru-pr115.png
ru-pr115.png

Рис. 2. Эпюры напряжений.

Входной канальный импульс и импульс одновибратора в точке г складываются. Если результирующий импульс положителен, то пройдя через конденсатор С5, он откроет транзистор VT4 интегрирующей ступени и изменит напряжение на базе транзистора VT6. На транзисторах VT6 и VT7 собран мультивибратор. Изменение режима транзистора VT6 вызывает изменение частоты и длительности генерируемых импульсов. Если" же результирующий импульс в точке г отрицателен, то он инвертируется каскадом на транзисторе VT3 и также открывает транзистор VT4.

Импульсы прямоугольной формы с мультивибратора поступают на усилитель мощности на транзисторах VT8, VT9. В коллекторную цепь транзистора VT9 включен ходовой электродвигатель, частота вращения вала которого зависит от частоты и скважности импульсов. Выходной транзистор усилителя мощности работает в ключевом режиме, потери на нем незначительны. При равенстве по амплитуде канального импульса и импульса одновибратора двигатель остановится. Как показывает эпюра напряжения в. точке и, двигатель полностью не обесточивается, но мощность на нем не превышает долей ватта.

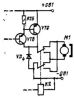
Если же суммарный импульс в точке г станет отрицательным, изменится направление вращения вала электродвигателя (произойдет реверсирование). Пеключают ходовой электродвигатель контакты реле КЗ, которое срабатывает после срабатывания промежуточного реле К1, являющегося нагрузкой транзистора VT10. Интегрирующий конденсатор поддерживает постоянство напряжения на бабазе транзистора VT10 при появлении положительных импульсов на базе транзистора VT5. Конденсатор С9 оглаживает напряжение на транзисторе VT10 и препятствует дребезжанию контактов реле К1.

На рис. 3 показан вариант схемы включения ходового электродвигателя с возбуждением от постоянного магнита.

 

ru-pr116.png

Налажявают блок, пользуясь осциллографом. Процесс начинают с узла управления. Необходимо следить, чтобы отношение длительности паузы к длительности выходных импульсов мультивибратора менялось при иэменении ширины входного канального импульса. Выходной транзистор должен полностью отрываться. Между эмиттером и коллектором транзистора VT9 подключают вольтметр. Его показание должно быть близко к нулю при максимальном напряжении на двигателе. Если транзистор VT9 т открывается полностью, его следует заменить на другой, с большим значением коэффициента h21э или же заменить транзисторы VT6-VT8 другими, с большим значением этого коэффициента.

Затем добиваются четкой работы реле К1. Если оно не срабатывает при минимальном напряжении на двигателе, то следует подобрать транзисторы VT5 и VТ10 с большим значением h21э, а также уточнить номиналы резисторов в их базовых цепях. При токе нагрузки электродвигателя до 4 А можно выбрать R25 сопротивлением 300 Ом; R26-390 Ом; -VT8-из серии МП16; VT9-из серий П214 - П217, П4. Надежность работы блока при управлении мощными электродвигателямя может быть повышена применением вместо одного транзистора VT9 двух, включенных параллельно и установленных на теплоотводы.

 

М.Е.Васильченко, А.В.Дьяков. "Радиолюбительская телемеханика". Радио и связь. 1986г. 
Обсудить эту статью на форуме (0 ответов).
Вся информация, предоставленная на данном ресурсе разрешена к ознакомлению детям школьного возраста. Все практическое использование может быть связана с повышенной электрической опасностью и разрешено детям только под присмотром взрослых.