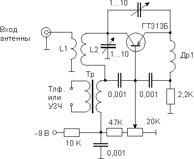
Сверхрегенеративный приемник на 90...150 МГц

L1 - 2 витка, L2 - 4 витка
на каркасе диаметром 8 мм, проводом ПЭЛ 0,8.

Дроссель содержит 60 витков провода ПЭЛ 0,1 на резисторе МЛТ 0,5.

Переменные конденсаторы с воздушным диэлектриком.

Тр1 - согласующий от карманного радиоприемника.

Обсудить эту статью на форуме (0 ответов).
Вся информация, предоставленная на данном ресурсе разрешена к ознакомлению детям школьного возраста. Все практическое использование может быть связана с повышенной электрической опасностью и разрешено детям только под присмотром взрослых.