Цифровая шкала для FM-приёмников супергетеродинного типа на микросхемах: СХА1191,СХА1238,ТЕА5711, ТА8127,ТА8164,ТА8167 и др.

ОСНОВНЫЕ ТЕХНИЧЕСКИЕ ХАРАКТЕРИСТИКИ

Uпит. ......................................................12 В

Iпотр.......................................................100 мА

Диапазон индицируемых частот.....88 - 108 МГц

Назначение и устройство.

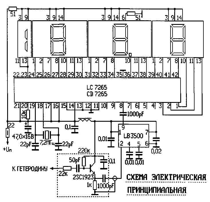
Цифровая шкала предназначена для использования совмест-но с FM-приёмниками супергетеродинного типа на ИМС СХА1191, СХА1238, ТА2003, ТА8127, ТА8164, ТА8167, ТЕА5711 и др. (кроме К174ХА34, А7021, TDA7021, TDA7088,KA22429). Устройство состоит из СВЧ усилителя (эмиттерного повторителя), цифрового и индикаторного блоков. Цифровой и индикаторный блоки соединены гибкими проводами, что позволяет удобно размещать шкалу в любом месте конструкции.

Подключение

Усилитель цифровой шкалы припаивается штырьком к плате тюнера непосредственно в точке соединения контура i етеродина с микросхемой тюнера: СХА1191-(вывод 7), СХА1238-(вывод 22), ТА8127-(вывод 21), ТА8164-(вывод 13), ТА8167-(вывод 21), ТЕА5711-(вывод 23). При этом, за счёт внесения дополнительной емкости усилителя, возможно небольшое смещение FM-диапазона. Для возврата к исходному состоянию необходимо (ориентируясь по показаниям шкалы ) немного растянуть витки гетеродинной катушки. Примечание: при питании устройства напряжением менее 10 В (для повышения яркости свечения индикаторов) можно замкнуть накоротко балластный резистор 22 Ом (см. схему)

Обсудить эту статью на форуме (0 ответов).
Вся информация, предоставленная на данном ресурсе разрешена к ознакомлению детям школьного возраста. Все практическое использование может быть связана с повышенной электрической опасностью и разрешено детям только под присмотром взрослых.