Широкополосный уселитель

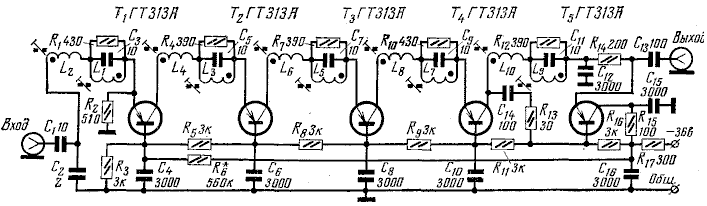
Усилитель, схема которого приведена ниже предназначен для работы в полосе частот 1- 5 и 6 - 12 телевизионных каналов. Последний каскад уилителя является эмиттерным повторителем, согласующим усилитель с малым волновым сопротивлением кабеля (75 ом).

Принципиальная схема усилителя
Принципиальная схема усилителя

Так как при работе в УКВ диапазоне повторители склонны к самовозбуждению, в их входную цепь включено антипаразитное активное сопротивление (R15), которое можно рассчитать по формуле R = 2 п faLвх, где fa— предельная частота усиления транзистора (для транзисторов fa приводится обычно в справочниках);
Lвх— индуктивность катушки на входе повторителя. Намоточные данные катушек усилителя приведены ниже. Все катушки наматываются на каркасах диаметром 7,5 мм с сердецниками СЦР-1 виток к витку проводом ПЭВ 0,15мм.

Номер катушкиL1

L2

L3

L4

L5

L6

L7

L8

L9

L10

Число витков

2,5

3

2

2,5

2

2

2,5

2

2,5

2

При налаживании усилителя следует иметь в виду, что вращение сердечников катушек, имеющих на схеме нечетные номера, будет изменять форму амплитудно-частотной характеристики в области частот 175— 230 Мгц, а вращение сердечников катушек с четными номерами — форму характеристики в области частот 50—100 Мгц.
Усилитель настраивают при помощи любого УКВ-генератора стандартных сигналов, имеющего диапазон частот, в котором должен работать усилитель. В качестве индикатора выхода используют вольтметр с высокоомным входом, позволяющий измерять переменное напряжение частотой до 250 Мгц. Настройку ведут обычным порядком, то есть изменяя положение сердечников катушек, добиваются, чтобы форма амплитудно-частотной характеристики усилителя возможно меньше отличалась от показанной на рис. 2.

Амплитудно-частотная характеристика усилителя

Усилитель рассчитан на подключение к телевизорам с чувствительностью 200—500 мкв.

В. Демьянов
Радио 7/68 г.

Обсудить эту статью на форуме (0 ответов).
Вся информация, предоставленная на данном ресурсе разрешена к ознакомлению детям школьного возраста. Все практическое использование может быть связана с повышенной электрической опасностью и разрешено детям только под присмотром взрослых.