FM приёмник на микросхеме KA22429

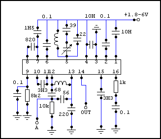
www.radio-portal.ru__KA22429На самом деле это очень маленький приёмник (не смотреть на схему!), в нём нет электролитических конденсаторов и других крупных деталей. В заводского изготовления, он был смонтирован в корпусе от дискеты (только толще в 1,5-2 раза), в нём был встроен усилок, работающий на наушники, и ещё место осталось!

Это типовая схема включения и поэтому точных данных о катушках нет, известно что их индуктивность = 0,056 мкГ.

Микросхема очень маленькая (10x4x1.5 мм). В заводском варианте резисторы SMD, а конденсаторы и катушки утапливаются в дырки на плате и почти не торчат из неё.

Обсудить эту статью на форуме (0 ответов).
Вся информация, предоставленная на данном ресурсе разрешена к ознакомлению детям школьного возраста. Все практическое использование может быть связана с повышенной электрической опасностью и разрешено детям только под присмотром взрослых.