Файлы к схемам

Файлы к схемам... (прошивки, драйвера, печатный монтаж, схемы)

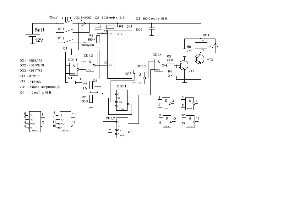
зарядное устройство
Автомобильные часы-термометр-вольтметр
Цифровая шкала - частотомер
DDS генератор на AVR
Два микроконтроллерных регулятора мощности
Измеритель индуктивности и емкости
Электронные часы с будильником На PIC16C54
Автоматическая зарядка 1.25v аккамуляторов на AT90S1200
Дистанционный регулятор света - диммер прошивка
Многофункциональные часы-термостат с дистанционным управлением
Регулятор освещения с дистанционным управлением (прошивка и исходный код)
Реле времени на Pic
Ассемблер MPASM
Программатор PIX
 
 
Powered by Phoca Download
Вся информация, предоставленная на данном ресурсе разрешена к ознакомлению детям школьного возраста. Все практическое использование может быть связана с повышенной электрической опасностью и разрешено детям только под присмотром взрослых.