- Спасибо получено: 0
Создание помех динамикам шумных соседей
- Самара
-
Автор темы
Less
Больше
13 окт 2006 13:29 #6
от Самара
Самара ответил в теме Создание помех динамикам шумных соседей
извините конечно,как вы думаете за два года мучений мы что ничего не пробовали?поверьте мы все способы испробовали ничего не помогает.и разговаривали и били и люди серьезные и с погонами и с татуировками "ласково беседовали" ничего не помогает они абсолютно деревянные,хватает на неделю,а потом опять все поновой.
Пожалуйста Войти или Регистрация, чтобы присоединиться к беседе.
- Doc
-
- Не в сети
13 окт 2006 17:57 #7
от Doc
Малое знание опасно, впрочем как и большое....
Doc ответил в теме Создание помех динамикам шумных соседей
все предельно просто
1) вызываешь Ментов, и обязательно просишь запротоколировать лучше не полениться и сделать раза три , четыре
2) просто напросто подаешь в суд
сначала скорее всего вынесут предупреждение, что естественно не будет возыметь должного эффекта
после чего повторяешь первые две операции
им впаривают солидный штраф, что скорее всего их только разозлит и они продолжат еще более яростно
после этого повторить первый пункт ещё раз и до полу года им свети, а это уже точно всю охоту отобьет
ну или как выше написано несчадно резать провода каждый вечер
но тут тебя самого могут оштрафовать
кстати есть ещё один способ воздействия, паяешь или покупаешь очень мощный усилитель, после чего подрубаешь к обычному генератору и на слух выбираешь наиболее отвратительный тог (а ещё лучше частоту в 4 или 7 г, но для этого надо усилок с такой полосой пропускания собирать), вот таким образом пускаешь им в стену эти колонки , вот их тошнить начнет от низкой частоты
выбирать тебе
1) вызываешь Ментов, и обязательно просишь запротоколировать лучше не полениться и сделать раза три , четыре
2) просто напросто подаешь в суд
сначала скорее всего вынесут предупреждение, что естественно не будет возыметь должного эффекта
после чего повторяешь первые две операции
им впаривают солидный штраф, что скорее всего их только разозлит и они продолжат еще более яростно
после этого повторить первый пункт ещё раз и до полу года им свети, а это уже точно всю охоту отобьет
ну или как выше написано несчадно резать провода каждый вечер
но тут тебя самого могут оштрафовать
кстати есть ещё один способ воздействия, паяешь или покупаешь очень мощный усилитель, после чего подрубаешь к обычному генератору и на слух выбираешь наиболее отвратительный тог (а ещё лучше частоту в 4 или 7 г, но для этого надо усилок с такой полосой пропускания собирать), вот таким образом пускаешь им в стену эти колонки , вот их тошнить начнет от низкой частоты
выбирать тебе
Малое знание опасно, впрочем как и большое....
Пожалуйста Войти или Регистрация, чтобы присоединиться к беседе.
- Икбол Насыров
-
- Не в сети
Less
Больше
- Сообщений: 71
- Спасибо получено: 0
04 нояб 2006 16:31 #8
от Икбол Насыров
Икбол Насыров ответил в теме Создание помех динамикам шумных соседей
Знаешь что, я бы обил бы свои полы материалом, который гасит звук. Скорее всего это нечто иное, как каучук или резина. Может это покажется малость идиотским, но стоит попробовать. Ну, лады! :roll:
Пожалуйста Войти или Регистрация, чтобы присоединиться к беседе.
- Виталий
-
- Не в сети
Less
Больше
- Сообщений: 59
- Спасибо получено: 0
20 нояб 2006 14:16 #9
от Виталий
Виталий ответил в теме Создание помех динамикам шумных соседей
Вот пара ссылок на убойные генераторы инфранизких частот.
www.phreaker.ru/showpost.php?s=4aa7dd956...0&p=7898&postcount=7
www.skif.biz/index.php?name=Forums&file=viewtopic&t=507
www.phreaker.ru/showpost.php?s=4aa7dd956...0&p=7898&postcount=7
www.skif.biz/index.php?name=Forums&file=viewtopic&t=507
Пожалуйста Войти или Регистрация, чтобы присоединиться к беседе.
- MKsoft
-
Less
Больше
- Спасибо получено: 0
04 фев 2007 17:23 #10
от MKsoft
MKsoft ответил в теме Создание помех динамикам шумных соседей
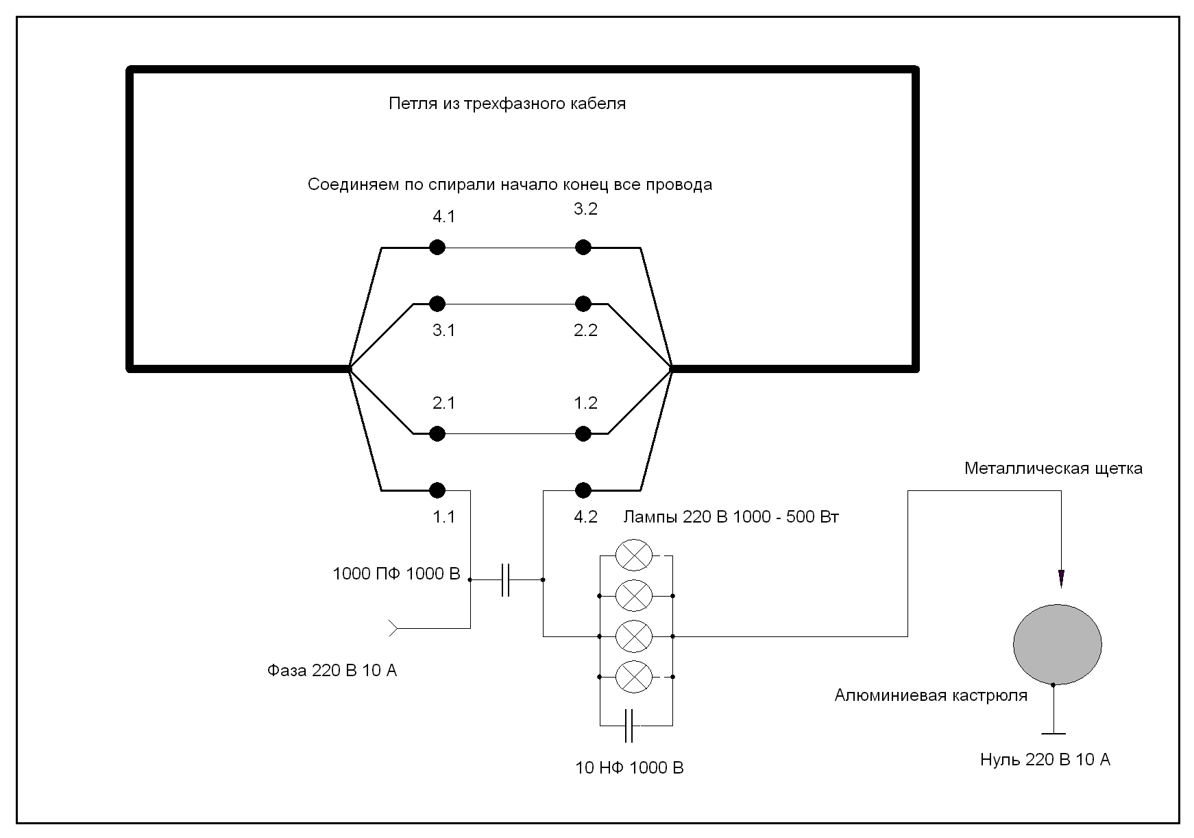
Вот короче я в инете как-то раз видел такое
коментарий был что-то типа - хана соседям.
коментарий был что-то типа - хана соседям.
Пожалуйста Войти или Регистрация, чтобы присоединиться к беседе.