Радио сфт

Больше
16 авг 2009 06:04 #1 от Михаил
Михаил создал тему: Радио сфт
KA317- это транзистор или стабилизатор? Стоит в китайском спутниковом тюнере. :oops:

Пожалуйста Войти или Регистрация, чтобы присоединиться к беседе.

  • Pavel_V_S
  • Pavel_V_S аватар
Больше
16 авг 2009 07:15 #2 от Pavel_V_S
Pavel_V_S ответил в теме Радио сфт
Это линейный стабилизатор.

Пожалуйста Войти или Регистрация, чтобы присоединиться к беседе.

Больше
16 авг 2009 14:27 #3 от Михаил
Михаил ответил в теме Радио сфт
какое напяжение на выходе у KA317

Пожалуйста Войти или Регистрация, чтобы присоединиться к беседе.

  • Pavel_V_S
  • Pavel_V_S аватар
Больше
17 авг 2009 14:59 #4 от Pavel_V_S
Pavel_V_S ответил в теме Радио сфт

mishashinkorenko пишет: какое напяжение на выходе у KA317

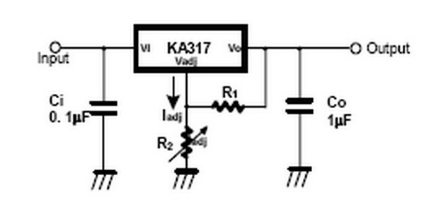
Это регулируемый стабилизатор, напряжение может быть от +1.2....37В. Все зависет от параметра резестивного делителя.

Пожалуйста Войти или Регистрация, чтобы присоединиться к беседе.

  • Pavel_V_S
  • Pavel_V_S аватар
Больше
17 авг 2009 15:21 #5 от Pavel_V_S
Pavel_V_S ответил в теме Радио сфт
Выходное напряжение задается и вычисляется по формуле: Vout=1,25V(1+R2/R1)+IadjR2
Типовая схема включения:
Вложения:

Пожалуйста Войти или Регистрация, чтобы присоединиться к беседе.

Вся информация, предоставленная на данном ресурсе разрешена к ознакомлению детям школьного возраста. Все практическое использование может быть связана с повышенной электрической опасностью и разрешено детям только под присмотром взрослых.