Изготовление Электронного блока управления независимым отопителем.

Больше
08 дек 2013 15:54 - 08 дек 2013 16:06 #1 от Леонид
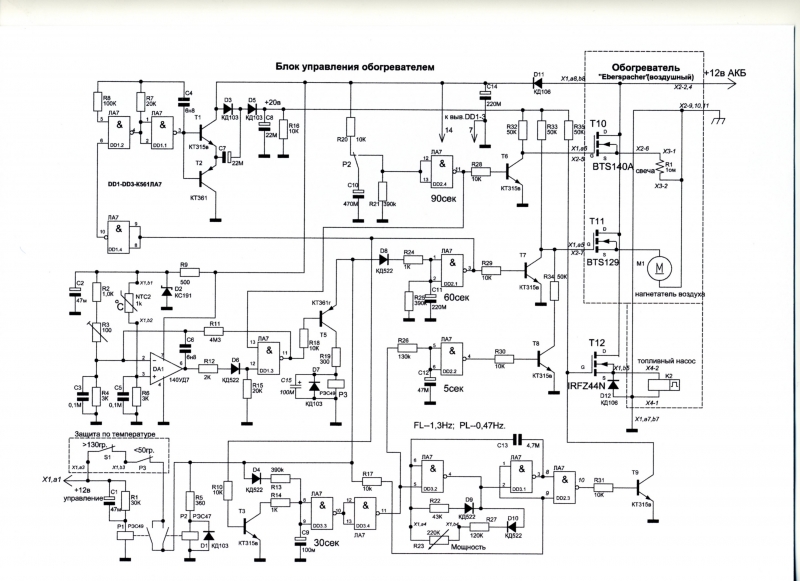
Есть разработанная кем-то схема, но никакого к ней пояснения. Прошу помощи разобраться и убедиться в работоспособности этой схемы. Заранее благодарен!
Вложения:
Последнее редактирование: 08 дек 2013 16:06 пользователем Леонид.

Пожалуйста Войти или Регистрация, чтобы присоединиться к беседе.

Модераторы: Doc
Вся информация, предоставленная на данном ресурсе разрешена к ознакомлению детям школьного возраста. Все практическое использование может быть связана с повышенной электрической опасностью и разрешено детям только под присмотром взрослых.