- Спасибо получено: 0
Стабилизатор напряжения лодочного мотора
- Trin
-
Автор темы
Less
Больше
12 окт 2007 09:55 #1
от Trin
Trin создал тему: Стабилизатор напряжения лодочного мотора
Кто сталкивался с проблемкой? Немного теориии...
У лодочных моторов генератор устроен так:катушки и вращающиеся
магниты на маховике (никаких обмоток возбуждения и регуляторов)
В ИТОГЕ,чем больше даёшь газу,тем выже напряжение.При подхвате винтом воздуха или срубании шпонки обороты могут подлетать
до 7000-8500,а напряжениев амплитуде до 300-350В!
Следовательно,обычные схемы на транзюках и кренках не катят.
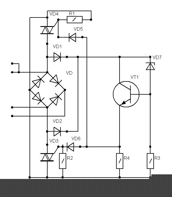
Здесь решение- установка АКБ,он всё гасит на себя-так рекомендуют производители моторов(условно). Либо используется схема на шунтирующих тиристорах(привожу ниже).Эта схема просто коротит обмотку,а ток в ней не может вырасти до критического из-за наличия индуктивности(в среднем 3-8А).Этим и пользуемся.НО КПД очень
низкий и нагрев приличный получается.
Может кто сталкивался с подобными схемами?...Может ШИМ?
Да,про обороты движка: 800-4500- от холостого до максимума(нормальный режим),при этом напряжение изменяется
от 9,5 до 35-45В(переменка,близкая к синусоиде,плюс диодный мостик) ...Но при выскакивании гребного винта из воды!!! 250В!!!
Короче ,как бороться?
Немного теории и схемки есть тут :http://umka-095.narod.ru/statia. h tm
У лодочных моторов генератор устроен так:катушки и вращающиеся
магниты на маховике (никаких обмоток возбуждения и регуляторов)
В ИТОГЕ,чем больше даёшь газу,тем выже напряжение.При подхвате винтом воздуха или срубании шпонки обороты могут подлетать
до 7000-8500,а напряжениев амплитуде до 300-350В!
Следовательно,обычные схемы на транзюках и кренках не катят.
Здесь решение- установка АКБ,он всё гасит на себя-так рекомендуют производители моторов(условно). Либо используется схема на шунтирующих тиристорах(привожу ниже).Эта схема просто коротит обмотку,а ток в ней не может вырасти до критического из-за наличия индуктивности(в среднем 3-8А).Этим и пользуемся.НО КПД очень
низкий и нагрев приличный получается.
Может кто сталкивался с подобными схемами?...Может ШИМ?
Да,про обороты движка: 800-4500- от холостого до максимума(нормальный режим),при этом напряжение изменяется
от 9,5 до 35-45В(переменка,близкая к синусоиде,плюс диодный мостик) ...Но при выскакивании гребного винта из воды!!! 250В!!!
Короче ,как бороться?
Немного теории и схемки есть тут :http://umka-095.narod.ru/statia. h tm
Вложения:
Пожалуйста Войти или Регистрация, чтобы присоединиться к беседе.
- Александр
-
Less
Больше
- Спасибо получено: 0
12 окт 2007 20:23 #2
от Александр
Александр ответил в теме Стабилизатор напряжения лодочного мотора
Это вооще то так называемое магнетто.У Вас система зажигания:кулачковый прерыватель+катушка зажигания,или электронное зажигание+катушка зажигания?
Пожалуйста Войти или Регистрация, чтобы присоединиться к беседе.
- Trin
-
Автор темы
Less
Больше
- Спасибо получено: 0
12 окт 2007 21:55 #3
от Trin
Trin ответил в теме Стабилизатор напряжения лодочного мотора
Генераторные катушки стоят отдельно от катушек питания зажигания.Никакой связи.
Пожалуйста Войти или Регистрация, чтобы присоединиться к беседе.
Модераторы: Doc