Зарядное устройство

Больше
25 фев 2014 17:04 #1 от zak
zak создал тему: Зарядное устройство
Ребят вот решил повторить схемку, но что-то в коментах пишут что не рабочая она !!! может подскажеткто

что тут не так? и как можно подправить если коряво!!!??
Вложения:

Пожалуйста Войти или Регистрация, чтобы присоединиться к беседе.

Больше
26 фев 2014 04:38 #2 от Николай Петрович
Николай Петрович ответил в теме Зарядное устройство
Не вдаваясь в подробности схемы, могу сказать, что оптрон АОУ103Б будет работать с превышением максимально допустимых режимов как по току, так и по напряжению. Не посоветовал бы делать эту схему уже только по этому.

Пожалуйста Войти или Регистрация, чтобы присоединиться к беседе.

Больше
27 фев 2014 04:58 #3 от zak
zak ответил в теме Зарядное устройство
Печально!! мне показалась схемка весьма интересной!!

Пожалуйста Войти или Регистрация, чтобы присоединиться к беседе.

Больше
27 фев 2014 10:30 - 27 фев 2014 10:56 #4 от Николай Петрович
Николай Петрович ответил в теме Зарядное устройство
Могу предложить свою, ну не совсем на 100% моя, её переделал из промышленного зарядного устройства. Схема обеспечивает следующие режимы работ: Зарядка 12 вольтовых аккумуляторов током до 10А. Обеспечивает защиту от к.з. и перегрузки по току. Защиту от случайной переполюсовки выводных клемм. Индикация величины тока – стрелочным микроамперметром, желательно с током полного отклонения стрелки 100 мкА. Шунт выполнен проводом ПЭТВ 2 - 1,32. Длинна которого подбирается опытным путём. Ориентировочно – 1 – 1,3 м.
Немного коряво начертил, а так схема не сложная и работает. Если что непонятно спрашивай. Применил диоды 1N4007 из за их малой стоимости, небольших размерах, и хороших электрических характеристик. Но, можно и применить другие.
Вложения:
Последнее редактирование: 27 фев 2014 10:56 пользователем Николай Петрович.

Пожалуйста Войти или Регистрация, чтобы присоединиться к беседе.

Больше
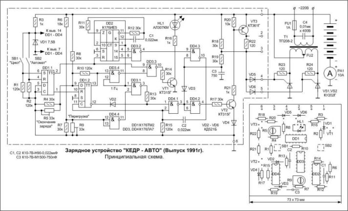
09 нояб 2014 15:34 #5 от zak
zak ответил в теме Зарядное устройство
ребят нашел зарядку кедр - авто 91год, гдето в инете нашел как добавить нагрузочное сопротивление

через полевой транзистор!! вот мнебы хотелось еще заменить тиристоры тоже на полевики если это возможно так как родные сгорели купить у нас их невозможно по инету долго а полевых куча валяется всяких!!
Вложения:

Пожалуйста Войти или Регистрация, чтобы присоединиться к беседе.

Модераторы: Doc
Вся информация, предоставленная на данном ресурсе разрешена к ознакомлению детям школьного возраста. Все практическое использование может быть связана с повышенной электрической опасностью и разрешено детям только под присмотром взрослых.