- Сообщений: 5
- Спасибо получено: 0
Схема однополярного БП
- Денис
-
Автор темы
- Не в сети
Less
Больше
24 апр 2013 01:15 - 24 апр 2013 01:25 #1
от Денис
Денис создал тему: Схема однополярного БП
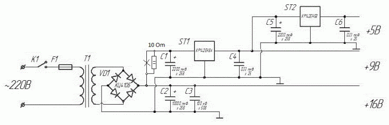
Всем доброго времени суток! Не судите строго если в чём то ошибся, я только начинаю. Введу в суть проблемы. Нашёл старенький усилитель звука (на микросхеме TDA), но к сожалению в нём отсутствует БП. Необходимый БП должен иметь 3 выхода с напряжением 16В, 9В и 5В (микросхема УНЧ не более 18В, 9В и 5В идут на микросхемы регулировки звука и индикации). Имеется трансформатор на 12В (после выпрямления будет примерно 16В). Решил соорудить сам, перечитал массу литературы и форумов. На свой вопрос нашёл ответ, что нужно использовать трансформатор с 3-я вторичными обмотками на 16В, 9В, 5В. Перематывать заново обмотку как для начинающего очень сложно. Нашёл так же вот такую схему, чуть подкорректировал (поставил другие стабилизаторы), но в её работоспособности есть сомнения. Скажите пожалуйста
имеет жизнь ли такая схема БП?
P.S: почему я не могу добавить изображения? (Вложения->Добавить фай->Выбор файла->Вставить). Добавляется, но не отображается.
имеет жизнь ли такая схема БП?
P.S: почему я не могу добавить изображения? (Вложения->Добавить фай->Выбор файла->Вставить). Добавляется, но не отображается.
Последнее редактирование: 24 апр 2013 01:25 пользователем Денис. Причина: Неотображается добавляемое изображение
Пожалуйста Войти или Регистрация, чтобы присоединиться к беседе.
- Doc
-
- Не в сети
24 апр 2013 09:19 #2
от Doc
Малое знание опасно, впрочем как и большое....
Doc ответил в теме Схема однополярного БП
Конечно в идеале трансформатор нужно перемотать , но можно и обойтись тем что есть
главное чтобы хватило мощности трансформатора и не было обратных наводок
делаем так
стабилизируем выход с помощью диодного моста и конденсаторов - тут чем больше емкость тем лучше.
дальше ставим стабилизирующую микросхему К142ЕН12Б (КРРЕН12Б) - получаем 9 вольт
снова конденсатор микрофарад на 1000-3000 и в параллель конденсатор на 0,01мкф.
дальше тавим стабилизирующую микросхему К142ЕН5А (КРРЕН5А) - получаем 5 вольт
с конденсатором повторим предыдущий случай
в принципе должно заработать - хотя по чесноку КПД такого БП как у ПАРАВОЗА
p.s. возможно в цепь между первым стабилизатором и 18 вольтами надо будет поставить резистор на 10Ом 5w
p.p.s какой формат файла пытаетесь вложить?
главное чтобы хватило мощности трансформатора и не было обратных наводок
делаем так
стабилизируем выход с помощью диодного моста и конденсаторов - тут чем больше емкость тем лучше.
дальше ставим стабилизирующую микросхему К142ЕН12Б (КРРЕН12Б) - получаем 9 вольт
снова конденсатор микрофарад на 1000-3000 и в параллель конденсатор на 0,01мкф.
дальше тавим стабилизирующую микросхему К142ЕН5А (КРРЕН5А) - получаем 5 вольт
с конденсатором повторим предыдущий случай
в принципе должно заработать - хотя по чесноку КПД такого БП как у ПАРАВОЗА
p.s. возможно в цепь между первым стабилизатором и 18 вольтами надо будет поставить резистор на 10Ом 5w
p.p.s какой формат файла пытаетесь вложить?
Малое знание опасно, впрочем как и большое....
Пожалуйста Войти или Регистрация, чтобы присоединиться к беседе.
- Денис
-
Автор темы
- Не в сети
Less
Больше
- Сообщений: 5
- Спасибо получено: 0
24 апр 2013 10:14 #3
от Денис
Денис ответил в теме Схема однополярного БП
Ну примрно так я и делал! Вот ссылка на БП на случай если не получется добавить снова. Трансформатор 60Вт, по поводу КПД тоже знаю. Будем глушить паровоз радиатором и дополнительно кулером 
( content.foto.mail.ru/mail/tay_ga/_myphoto/h-3.jpg )
P.S. Формат jpeg, 60,5 кб
( content.foto.mail.ru/mail/tay_ga/_myphoto/h-3.jpg )
P.S. Формат jpeg, 60,5 кб
Пожалуйста Войти или Регистрация, чтобы присоединиться к беседе.
- Doc
-
- Не в сети
24 апр 2013 11:04 - 24 апр 2013 11:06 #4
от Doc
Последнее редактирование: 24 апр 2013 11:06 пользователем Doc.
Спасибо сказали: Денис
Пожалуйста Войти или Регистрация, чтобы присоединиться к беседе.
- Doc
-
- Не в сети
24 апр 2013 11:04 - 24 апр 2013 11:08 #5
от Doc
Малое знание опасно, впрочем как и большое....
Doc ответил в теме Схема однополярного БП
не выгружаеться потому что имя файла написано кириллицей
Малое знание опасно, впрочем как и большое....
Последнее редактирование: 24 апр 2013 11:08 пользователем Doc.
Пожалуйста Войти или Регистрация, чтобы присоединиться к беседе.