- Сообщений: 294
- Спасибо получено: 0
Извините за очень глупый вопрос
- Джоад
-
Автор темы
- Не в сети
Less
Больше
25 авг 2010 13:06 #1
от Джоад
Джоад создал тему: Извините за очень глупый вопрос
как сделать чтот типа мигалки чтобы 2 диода мигало по очереди питание от трансформатора с выпрямителем выходное напряжение около 2 W диоды на это примерно и расчитаны
Пожалуйста Войти или Регистрация, чтобы присоединиться к беседе.
- Doc
-
- Не в сети
25 авг 2010 17:14 #2
от Doc
Малое знание опасно, впрочем, как и большое....
Doc ответил в теме Извините за очень глупый вопрос
1) чтобы создать мигалку надо напряжение хотябы 3-4 вольта
2) www.radio-portal.ru/index.php/la ... 8-16-56-03 (7 и 8 генераторы)
3) ru.wikipedia.org/wiki/%D0%9C%D1% ... 0%BE%D1%80
2) www.radio-portal.ru/index.php/la ... 8-16-56-03 (7 и 8 генераторы)
3) ru.wikipedia.org/wiki/%D0%9C%D1% ... 0%BE%D1%80
Малое знание опасно, впрочем, как и большое....
Пожалуйста Войти или Регистрация, чтобы присоединиться к беседе.
- Александр
-
- Не в сети
Less
Больше
- Сообщений: 117
- Спасибо получено: 0
25 авг 2010 17:31 #3
от Александр
Александр ответил в теме Извините за очень глупый вопрос
Простейший мультивибратор
Пожалуйста Войти или Регистрация, чтобы присоединиться к беседе.
- RA9SQO
-
Less
Больше
- Спасибо получено: 0
11 дек 2010 19:59 #4
от RA9SQO
RA9SQO ответил в теме Извините за очень глупый вопрос
www.radio-portal.ru/forum/index
. ... &rb_v=file
Пожалуйста Войти или Регистрация, чтобы присоединиться к беседе.
- Владимир
-
- Не в сети
Less
Больше
- Сообщений: 328
- Спасибо получено: 0
12 дек 2010 19:37 #5
от Владимир
Владимир ответил в теме Извините за очень глупый вопрос
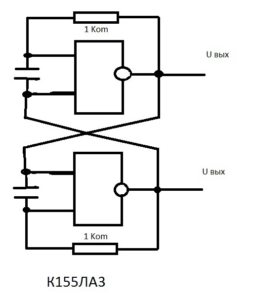
Мигалка. Doc как то выкладывал, нарисовал как смог. Конденсаторы я ставил по 47 мкф.
Вложения:
Пожалуйста Войти или Регистрация, чтобы присоединиться к беседе.
Модераторы: Doc