- Спасибо получено: 0
светодиодная бегущая строка, табло
- xardas
-
Автор темы
Less
Больше
31 мая 2007 09:52 #1
от xardas
xardas создал тему: светодиодная бегущая строка, табло
кто знае каким образом делается, у кого какая информация есть
Пожалуйста Войти или Регистрация, чтобы присоединиться к беседе.
- tomas111
-
Less
Больше
- Спасибо получено: 0
31 мая 2007 11:11 #2
от tomas111
tomas111 ответил в теме светодиодная бегущая строка, табло
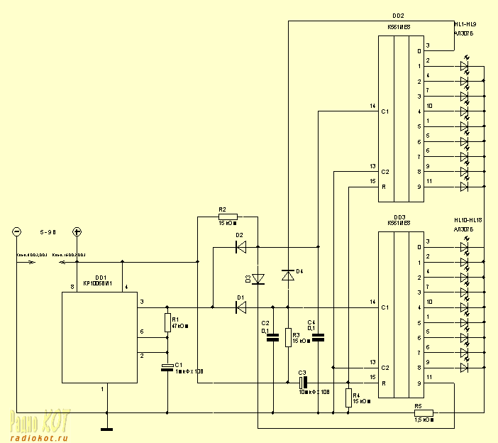
может это ???
Вложения:
Пожалуйста Войти или Регистрация, чтобы присоединиться к беседе.
- MKsoft
-
Less
Больше
- Спасибо получено: 0
03 июнь 2007 10:11 #3
от MKsoft
MKsoft ответил в теме светодиодная бегущая строка, табло
вот
раздел Проекты/Бегущая строка
раздел Проекты/Бегущая строка
Пожалуйста Войти или Регистрация, чтобы присоединиться к беседе.
- tomas111
-
Less
Больше
- Спасибо получено: 0
03 июнь 2007 18:45 #4
от tomas111
tomas111 ответил в теме светодиодная бегущая строка, табло
MKsoft Привет !!!
Ок шас гляну, если сайт откроется ... А то он у тебя в последнее время неработает ....
Кстати ты мне даш драва для светомузыки от USB ???
Твой сайт неработает
Ок шас гляну, если сайт откроется ... А то он у тебя в последнее время неработает ....
Кстати ты мне даш драва для светомузыки от USB ???
Твой сайт неработает
Пожалуйста Войти или Регистрация, чтобы присоединиться к беседе.
- xardas
-
Автор темы
Less
Больше
- Спасибо получено: 0
04 июнь 2007 08:35 #5
от xardas
xardas ответил в теме светодиодная бегущая строка, табло
а я не могу на этот сайт попастьMKsoft пишет: вот
раздел Проекты/Бегущая строка
Пожалуйста Войти или Регистрация, чтобы присоединиться к беседе.
Модераторы: Doc