- Спасибо получено: 0
Помогите
- Жека
-
Автор темы
Less
Больше
18 фев 2008 14:47 #1
от Жека
Жека создал тему: Помогите
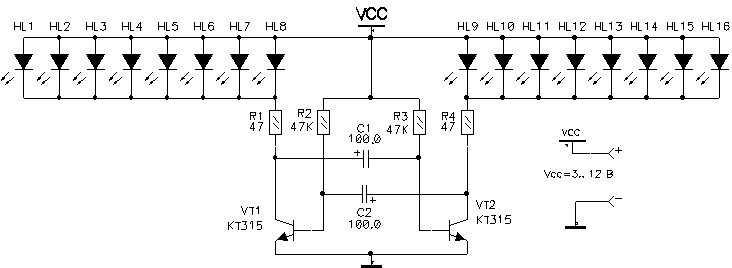
Я новичек в пайке... Я нашел интересную схему.. Не могли бы вы мне помочь составить печатную плату..
Вложения:
Пожалуйста Войти или Регистрация, чтобы присоединиться к беседе.
- Doc
-
- Не в сети
18 фев 2008 18:35 #2
от Doc
Малое знание опасно, впрочем, как и большое....
Doc ответил в теме Помогите
интересная схемв в виде мутивибратора?.... уходим в каменный век
тебе как печатную плату сос ветодиодами или нет?
тебе как печатную плату сос ветодиодами или нет?
Малое знание опасно, впрочем, как и большое....
Пожалуйста Войти или Регистрация, чтобы присоединиться к беседе.
- Жека
-
Автор темы
Less
Больше
- Спасибо получено: 0
18 фев 2008 21:25 #3
от Жека
Жека ответил в теме Помогите
Мне нужна просто печатная плата. с дорожками и обозначениями где дырки делать.. ну и что куда паяеться...
Пожалуйста Войти или Регистрация, чтобы присоединиться к беседе.
- qqq
-
- Не в сети
Less
Больше
- Сообщений: 67
- Спасибо получено: 0
19 фев 2008 09:03 #4
от qqq
qqq ответил в теме Помогите
Самое элементарное это бери схему и рисуй. Если не понравится, то подвигай детали и дырки. Главное не боятся.Жека пишет: помочь составить печатную плату..
Вложения:
Пожалуйста Войти или Регистрация, чтобы присоединиться к беседе.
- Doc
-
- Не в сети
19 фев 2008 09:11 #5
от Doc
Малое знание опасно, впрочем, как и большое....
Doc ответил в теме Помогите
так вот я и справшивал - счетодиоды крепяться на плату или ты их будешь вешать на провдах?
Малое знание опасно, впрочем, как и большое....
Пожалуйста Войти или Регистрация, чтобы присоединиться к беседе.
Модераторы: Doc