Предварительный усь с темброблоком от Fender BXR-3
- Алексей
-
Автор темы
- Не в сети
Less
Больше
27 окт 2012 18:02 - 27 окт 2012 18:04 #1
от Алексей
Алексей создал тему: Предварительный усь с темброблоком от Fender BXR-3
Доброго времени суток откликнувшимся!
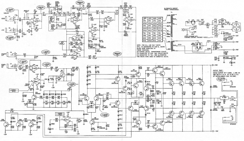
Последний месяц бороздил просторы интернета в поисках проверенной схемы активного темброблока для комбика и встретил вот такую схему - Fender Bassman BXR-300.
Стал разбираться и перерисовывать ее предъусилительную часть в формат пп на спринт лейот и столкнулся с такой штукой, что в схеме 2 регулятора громкости, обвел их красным и синим цветом -
Не знаю как поступить, можно ли выкинуть из данной схемы один из них, или обьеденить их сдвоенным переменным резистором (номиналы у них одинаковые, а маркируются на схеме 100К10А и 100К5С)
Пожалуйста подскажите как лучше сделать.
Последний месяц бороздил просторы интернета в поисках проверенной схемы активного темброблока для комбика и встретил вот такую схему - Fender Bassman BXR-300.
Стал разбираться и перерисовывать ее предъусилительную часть в формат пп на спринт лейот и столкнулся с такой штукой, что в схеме 2 регулятора громкости, обвел их красным и синим цветом -
Не знаю как поступить, можно ли выкинуть из данной схемы один из них, или обьеденить их сдвоенным переменным резистором (номиналы у них одинаковые, а маркируются на схеме 100К10А и 100К5С)
Пожалуйста подскажите как лучше сделать.
Последнее редактирование: 27 окт 2012 18:04 пользователем Алексей.
Пожалуйста Войти или Регистрация, чтобы присоединиться к беседе.
- Стас
-
- Не в сети
Less
Больше
- Сообщений: 394
- Спасибо получено: 29
27 окт 2012 20:25 - 27 окт 2012 20:27 #2
от Стас
Стас ответил в теме Re: Предварительный усь с темброблоком от Fender BXR-3
Ну так правильно, зачем ставить два? Это не удобно, Поставь сдвоенный резюк и всё. Будешь регулировать оба канала одним резистором.
Последнее редактирование: 27 окт 2012 20:27 пользователем Стас.
Пожалуйста Войти или Регистрация, чтобы присоединиться к беседе.
- Алексей
-
Автор темы
- Не в сети
27 окт 2012 22:11 #3
от Алексей
Алексей ответил в теме Предварительный усь с темброблоком от Fender BXR-3
Тут один моно канал, а 2 входа потому что один лоу а другой хай.
Даже и не знаю как с регулировкой громкости станет если поставить сдвоенный резюк(хотя там усилиние от оу будет)? плавней или слишком грубой станет?
Даже и не знаю как с регулировкой громкости станет если поставить сдвоенный резюк(хотя там усилиние от оу будет)? плавней или слишком грубой станет?
Пожалуйста Войти или Регистрация, чтобы присоединиться к беседе.
- Alexander Kobets
-
- Не в сети
Less
Больше
- Сообщений: 294
- Спасибо получено: 6
27 окт 2012 23:20 #4
от Alexander Kobets
Alexander Kobets ответил в теме Предварительный усь с темброблоком от Fender BXR-3
В некоторой степени это регуляторы громкости, но практически это регуляторы усиления. На внешнюю панель их ставить нет смысла, тут подойдут миниатюрные регуляторы поставленные на плату или рядом, но внутри корпуса. Сдваивать регуляторы не надо.
Спасибо сказали: Алексей
Пожалуйста Войти или Регистрация, чтобы присоединиться к беседе.
- Алексей
-
Автор темы
- Не в сети
28 окт 2012 11:38 #5
от Алексей
Алексей ответил в теме Re: Предварительный усь с темброблоком от Fender BXR-3
И вправду, совсем забыл что есть схемы включения ОУ с регулируемой выходной мощностью.
Но на схеме они обозначены как "Volume", и на панели управления один регулятор громкости, больше на схеме нет переменников с этим обозначением. Теперь сдается мне что второй регулятор громкости (обведенный синим) и есть оный, а обведенный красным регулятор усиления ОУ.
Может быть кто то еще подкинет какие идеи?
Но на схеме они обозначены как "Volume", и на панели управления один регулятор громкости, больше на схеме нет переменников с этим обозначением. Теперь сдается мне что второй регулятор громкости (обведенный синим) и есть оный, а обведенный красным регулятор усиления ОУ.
Может быть кто то еще подкинет какие идеи?
Пожалуйста Войти или Регистрация, чтобы присоединиться к беседе.