UPS в качестве автомобильного инвертора

Больше
14 мая 2010 06:56 #6 от STAS
разбери свой инвертор и посмотри как у него происходит запуск генератора, если там стоит TL494 то найди подобную схемку и по ней посмотри как запускается даная микруха точно не помню там нужно на опред ножку подать 5 Вольт и она запустится если не найдеш я сам посмотрю и отпишу. :wink:

Пожалуйста Войти или Регистрация, чтобы присоединиться к беседе.

Больше
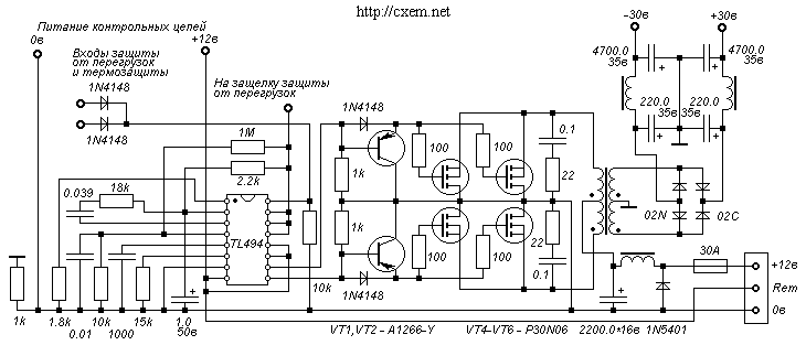
14 мая 2010 14:40 #7 от STAS
Смотри если на TL494 то вот схема, запуск Remотным на +
Вложения:

Пожалуйста Войти или Регистрация, чтобы присоединиться к беседе.

Модераторы: Doc
Вся информация, предоставленная на данном ресурсе разрешена к ознакомлению детям школьного возраста. Все практическое использование может быть связана с повышенной электрической опасностью и разрешено детям только под присмотром взрослых.