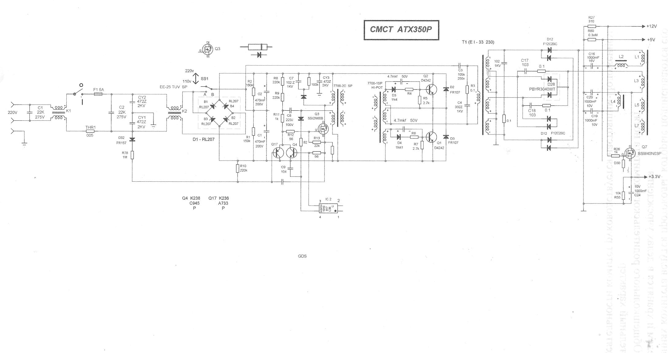
нужна схема бп компютера CMCT ATX350P

Больше
27 фев 2011 05:15 #1 от Михаил
:evil: Ищю принципиальную схему блока питания компютера CMCT ATX350P.
на рисунке неполная схема.
Вложения:

Пожалуйста Войти или Регистрация, чтобы присоединиться к беседе.

Модераторы: Doc
Вся информация, предоставленная на данном ресурсе разрешена к ознакомлению детям школьного возраста. Все практическое использование может быть связана с повышенной электрической опасностью и разрешено детям только под присмотром взрослых.