- Сообщений: 23
- Спасибо получено: 0
Ищу схему телевизора HYUNDAI H-TV1405
- Gen567dom
-
Автор темы
- Не в сети
Less
Больше
06 мая 2011 20:22 #16
от Gen567dom
Gen567dom ответил в теме Ищу схему телевизора HYUNDAI H-TV1405
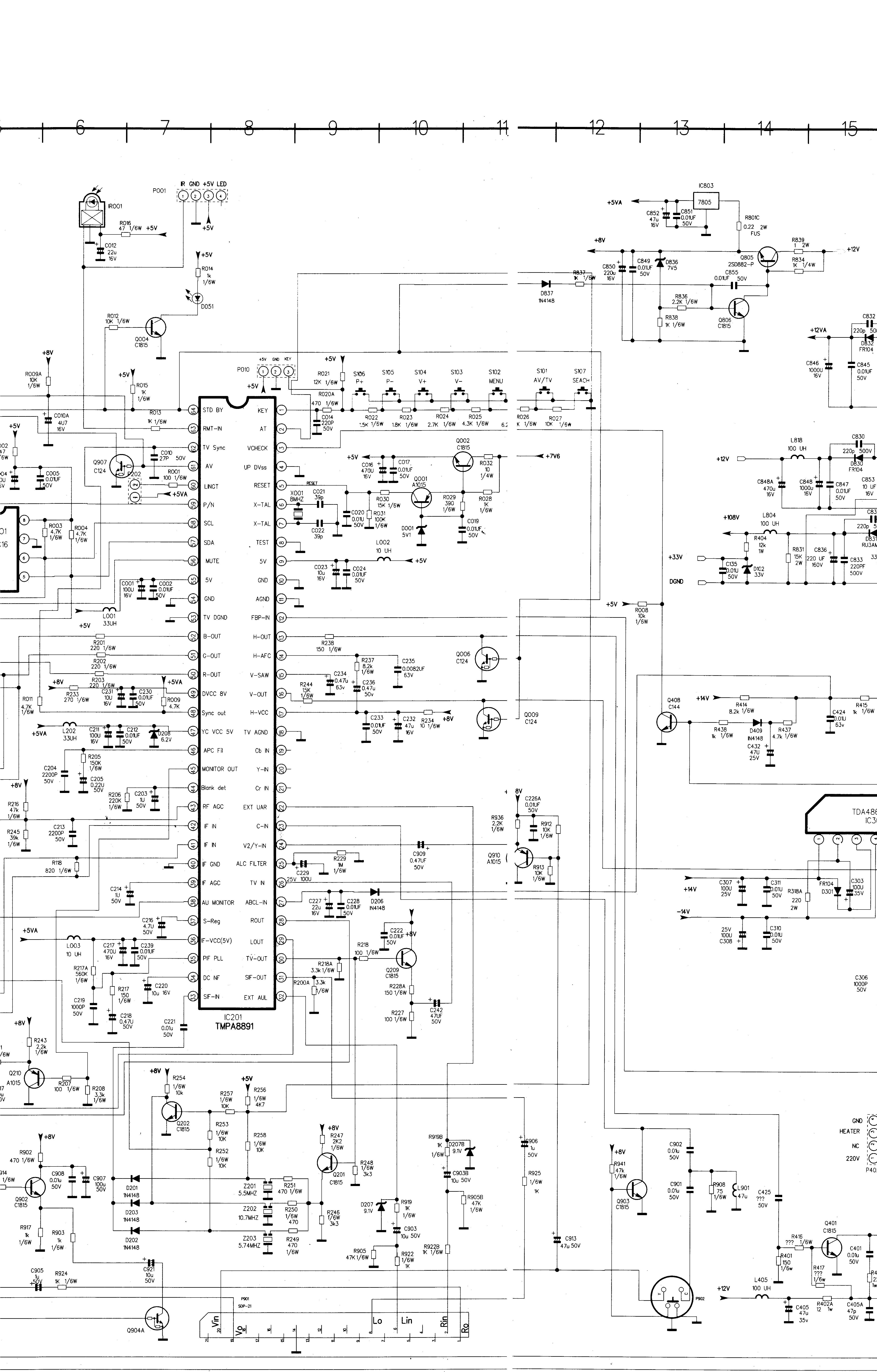
Напряжение измерял не в дежурном режиме. На 17 ноге напряжение 8 вольт, а на 49 ноге только 3. По схеме правый вывод R233. Обрезал немного схему , на ней видно.
Вложения:
Пожалуйста Войти или Регистрация, чтобы присоединиться к беседе.
- Вячеслав
-
- Не в сети
Less
Больше
- Сообщений: 1245
- Спасибо получено: 31
07 мая 2011 18:54 #17
от Вячеслав
Вячеслав ответил в теме Ищу схему телевизора HYUNDAI H-TV1405
На схеме написано возле ноги +5VA, видишь? Это напряжение с 7805 плюс 5 Вольт, если его не будет то с восьми по току будет падение напряжения с 8 до 3-х.
ЕЩЁ РАЗ ПРОШУ ОТВЕТИТЬ - РАБОТАЕТ ЛИ 7805? На полной схеме с права с верху ищи +5VA от 7805.
ЕЩЁ РАЗ ПРОШУ ОТВЕТИТЬ - РАБОТАЕТ ЛИ 7805? На полной схеме с права с верху ищи +5VA от 7805.
Пожалуйста Войти или Регистрация, чтобы присоединиться к беседе.
- Вячеслав
-
- Не в сети
Less
Больше
- Сообщений: 1245
- Спасибо получено: 31
07 мая 2011 18:57 #18
от Вячеслав
Вячеслав ответил в теме Ищу схему телевизора HYUNDAI H-TV1405
На этой схеме IC803 13-й и 14-й участок чертежа. +5VA есть?
Пожалуйста Войти или Регистрация, чтобы присоединиться к беседе.
- Gen567dom
-
Автор темы
- Не в сети
Less
Больше
- Сообщений: 23
- Спасибо получено: 0
31 мая 2011 20:19 #19
от Gen567dom
Gen567dom ответил в теме Ищу схему телевизора HYUNDAI H-TV1405
Спасибо за помощь. Был в отъезде и не смог поблагодарить сразу.
Пожалуйста Войти или Регистрация, чтобы присоединиться к беседе.
- Вячеслав
-
- Не в сети
Less
Больше
- Сообщений: 1245
- Спасибо получено: 31
01 июнь 2011 19:20 #20
от Вячеслав
Вячеслав ответил в теме Ищу схему телевизора HYUNDAI H-TV1405
Извини, сейчас нашёл ошибку. Там нет точки, по-этому и нет напряжения как я писал. Необходимо начинать с начала.
Пожалуйста Войти или Регистрация, чтобы присоединиться к беседе.
Модераторы: Doc