- Сообщений: 394
- Спасибо получено: 29
Защита от дурака.
- Стас
-
- Не в сети
Less
Больше
20 июнь 2014 23:37 #6
от Стас
Стас ответил в теме Защита от дурака.
Для этой схемы включения реле не подойдёт. Я думал про зарядный блок. Но я покумекаю, если что нарисую. Правда со временем будет туговато, я с сегодняшнего дня уже в отпуске и уже на даче. Тут как всегда куча дел и ужасно медленный интернет.
Пожалуйста Войти или Регистрация, чтобы присоединиться к беседе.
- Rrenovatio
-
Автор темы
- Не в сети
Less
Больше
- Сообщений: 2505
- Спасибо получено: 78
21 июнь 2014 00:39 #7
от Rrenovatio
Rrenovatio ответил в теме Защита от дурака.
Я докумекал,
просто через обмотку реле типа идёт питание, и если ток большой ну или короткое
реле срабатывает и отключает питание на схему... :silly: - как то так?
Да это уж точно для зарядки!
Тут оно не прокатит! переполюсовка! блочёк горит!!! думаю самый оптимальный вариант с диодом на короткое или мост - там точно по барабану куда какой подключать, как то даже не подумал об этом!
Правду говорят: Век живи, век учись!
реле срабатывает и отключает питание на схему... :silly: - как то так?
Да это уж точно для зарядки!
Тут оно не прокатит! переполюсовка! блочёк горит!!! думаю самый оптимальный вариант с диодом на короткое или мост - там точно по барабану куда какой подключать, как то даже не подумал об этом!
Правду говорят: Век живи, век учись!
Пожалуйста Войти или Регистрация, чтобы присоединиться к беседе.
- Николай Петрович
-
- Не в сети
Less
Больше
- Сообщений: 1116
- Спасибо получено: 46
21 июнь 2014 01:13 - 21 июнь 2014 01:30 #8
от Николай Петрович
Николай Петрович ответил в теме Защита от дурака.
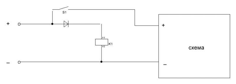
Вложения:
Последнее редактирование: 21 июнь 2014 01:30 пользователем Николай Петрович.
Пожалуйста Войти или Регистрация, чтобы присоединиться к беседе.
- Светлана
-
- Не в сети
24 июнь 2014 07:32 - 24 июнь 2014 07:34 #9
от Светлана
Если хотите, чтобы жизнь улыбалась вам, подарите ей своё хорошее настроение
Светлана ответил в теме Защита от дурака.
.......
Если хотите, чтобы жизнь улыбалась вам, подарите ей своё хорошее настроение
Последнее редактирование: 24 июнь 2014 07:34 пользователем Светлана.
Пожалуйста Войти или Регистрация, чтобы присоединиться к беседе.
Модераторы: Doc