- Спасибо получено: 0
схема безтрансформаторного преобразователя напряжения
- Asche
-
Автор темы
Less
Больше
28 апр 2009 16:13 #16
от Asche
Asche ответил в теме схема безтрансформаторного преобразователя напряжения
Преобразователь для вспышки( ток побольше для как можно быстрого заряжания конденсаторов)
Пожалуйста Войти или Регистрация, чтобы присоединиться к беседе.
- Smoker
-
- Не в сети
Less
Больше
- Сообщений: 825
- Спасибо получено: 2
28 апр 2009 17:48 #17
от Smoker
Smoker ответил в теме схема безтрансформаторного преобразователя напряжения
Да, уж. Вспышек не имел, понятия не имею что и как там нужно. Но мощный преобразователь не факт что хорошо, потребляемый ток большой, если ты конечно не будешь на спине автомобильный аккумулятор носить. Здесь нужна золотая середина. Нужно искать конкретную проверенную схему именно для фотовспышки. Полазь по форумам фотолюбителей, там наверное больше интересуются этим.
Пожалуйста Войти или Регистрация, чтобы присоединиться к беседе.
- Smoker
-
- Не в сети
Less
Больше
- Сообщений: 825
- Спасибо получено: 2
28 апр 2009 17:50 #18
от Smoker
Smoker ответил в теме схема безтрансформаторного преобразователя напряжения
Да ,если все-таки автомобильный аккумулятор , то могу пару схем бросить с 12 на 220 вольт. Но они как правило мощные и от батарей или малогабаритного аккумулятора не пойдут - посадят за пару секунд.
Пожалуйста Войти или Регистрация, чтобы присоединиться к беседе.
- Asche
-
Автор темы
Less
Больше
- Спасибо получено: 0
30 апр 2009 15:13 #19
от Asche
Asche ответил в теме схема безтрансформаторного преобразователя напряжения
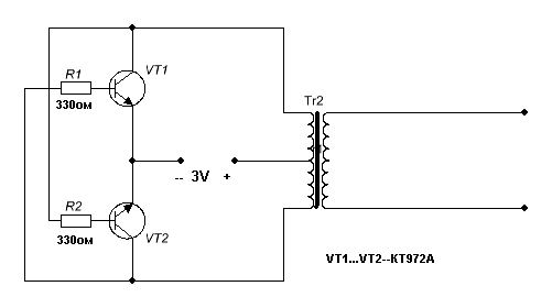
Нашёл недавно схему( приложил к сообщению) Подскажите, пожалуйста, как можно переделать её для использоания плевых транзисторов.
Вложения:
Пожалуйста Войти или Регистрация, чтобы присоединиться к беседе.
- kruglov8683
-
- Не в сети
Less
Больше
- Сообщений: 20
- Спасибо получено: 0
03 мая 2009 19:43 #20
от kruglov8683
kruglov8683 ответил в теме схема безтрансформаторного преобразователя напряжения
Да ,если все-таки автомобильный аккумулятор , то могу пару схем бросить с 12 на 220 вольт.
Будь любезен, что-то ни чего толкового не могу найти.
Будь любезен, что-то ни чего толкового не могу найти.
Пожалуйста Войти или Регистрация, чтобы присоединиться к беседе.
Модераторы: Doc