- Спасибо получено: 0
БП 1.5V и 3V
- tomas111
-
Автор темы
Less
Больше
17 янв 2007 17:11 #1
от tomas111
tomas111 создал тему: БП 1.5V и 3V
Привет всем !!!
Интересует как можно допустим из 12V зделать 1.5V и 3V ???
Заранее благодарю !!!
Интересует как можно допустим из 12V зделать 1.5V и 3V ???
Заранее благодарю !!!
Пожалуйста Войти или Регистрация, чтобы присоединиться к беседе.
- K01I
-
Less
Больше
- Спасибо получено: 0
17 янв 2007 18:59 #2
от K01I
K01I ответил в теме БП 1.5V и 3V
2 стабилизатор на 1.5 и 3 вольта соответственно
на 1.5v 3 диода включонные в схему последовательно как стабилизатор или стабистор (д220с или кс113а), а на 3v кс133 или кс433
на 1.5v 3 диода включонные в схему последовательно как стабилизатор или стабистор (д220с или кс113а), а на 3v кс133 или кс433
Вложения:
Пожалуйста Войти или Регистрация, чтобы присоединиться к беседе.
- tomas111
-
Автор темы
Less
Больше
- Спасибо получено: 0
17 янв 2007 19:40 #3
от tomas111
tomas111 ответил в теме БП 1.5V и 3V
Спасибо, теперь-бы разобратся что к чему 
А если нетрудно можешь подписать что к чему ???
А если нетрудно можешь подписать что к чему ???
Пожалуйста Войти или Регистрация, чтобы присоединиться к беседе.
- K01I
-
Less
Больше
- Спасибо получено: 0
17 янв 2007 19:53 #4
от K01I
K01I ответил в теме БП 1.5V и 3V
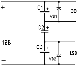
у нас есть исочник 12 v
непосредственно на кондерах будет напрежение:
12В / количество(3) = 4В - с запасом... т.е. три по 4В...
VD1
непосредственно на кондерах будет напрежение:
12В / количество(3) = 4В - с запасом... т.е. три по 4В...
VD1
VD2кс133 или кс433
P.s. собери сначала без стабилизации.. т.е. кондеры.. проверь получается ли напряжение на кондерах 4Вд220с или кс113а или 3 диода
Пожалуйста Войти или Регистрация, чтобы присоединиться к беседе.
- K01I
-
Less
Больше
- Спасибо получено: 0
17 янв 2007 20:11 #5
от K01I
K01I ответил в теме БП 1.5V и 3V
чот я тут подумал эта схемка не катит.. 
такак необходимо потребление тока на всех трех кандерах одновреммено...
такак необходимо потребление тока на всех трех кандерах одновреммено...
Пожалуйста Войти или Регистрация, чтобы присоединиться к беседе.
Модераторы: Doc