- Спасибо получено: 0
счетчик на 1000
- MKsoft
-
Less
Больше
27 март 2007 06:07 - 27 март 2007 06:13 #6
от MKsoft
MKsoft ответил в теме счетчик на 1000
Да действительно кое что напутано но это роли не играет т.к. порядок подключения к входам "&" и "R" значения не имеет.
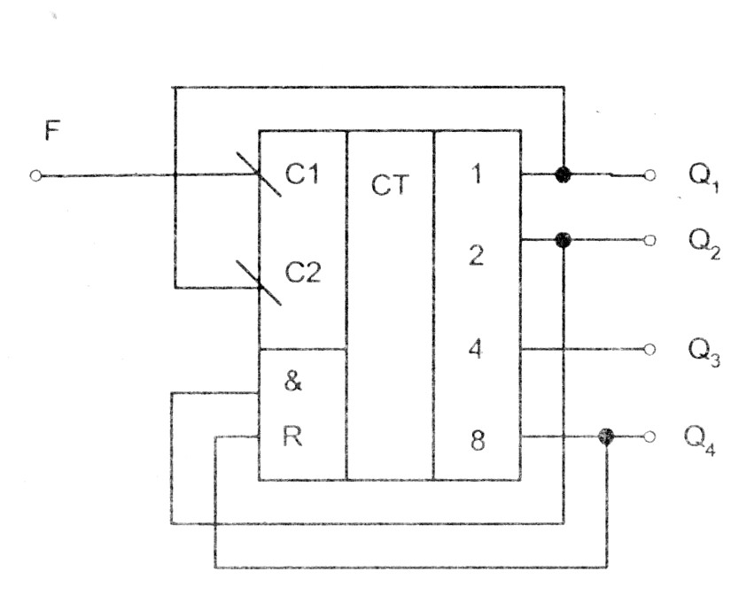
Вот на микросхеме К155ИЕ5 собран счетчик с модулем счета К=10.
Кстати у тебя это какая микросхема то???
Вот на микросхеме К155ИЕ5 собран счетчик с модулем счета К=10.
Кстати у тебя это какая микросхема то???
Вложения:
Последнее редактирование: 27 март 2007 06:13 пользователем MKsoft.
Тема заблокирована.
- Doc
-
- Не в сети
27 март 2007 06:11 - 27 март 2007 08:32 #7
от Doc
Малое знание опасно, впрочем, как и большое....
Doc ответил в теме счетчик на 1000
народ что вы изгаляетесь как можете когда есть готовый счетчик с коэфицентом 10 это 155ИЕ2 - данный счетчик используеться для цифровых индикаторов - он не реверсный, а 155ИЕ6 - реверсный
эти счетчики уже на 10 без всяких замут и дополнительной логики
эти счетчики уже на 10 без всяких замут и дополнительной логики
Малое знание опасно, впрочем, как и большое....
Последнее редактирование: 27 март 2007 08:32 пользователем .
Тема заблокирована.
- MKsoft
-
Less
Больше
- Спасибо получено: 0
27 март 2007 06:15 #8
от MKsoft
MKsoft ответил в теме счетчик на 1000
Я тоже теперь не очень вкуриваю че он хочет сотворить
Тема заблокирована.
- xardas
-
Автор темы
Less
Больше
- Спасибо получено: 0
27 март 2007 23:57 #9
от xardas
xardas ответил в теме счетчик на 1000
поставил подряд 3 ие2 псе пашет. 
всем спасибо за советы...
всем спасибо за советы...
Тема заблокирована.
Модераторы: Doc