бегущий огонек
- Doc
-
- Не в сети
Less
Больше
06 апр 2007 18:04 #11
от Doc
Малое знание опасно, впрочем, как и большое....
Doc ответил в теме бегущий огонек
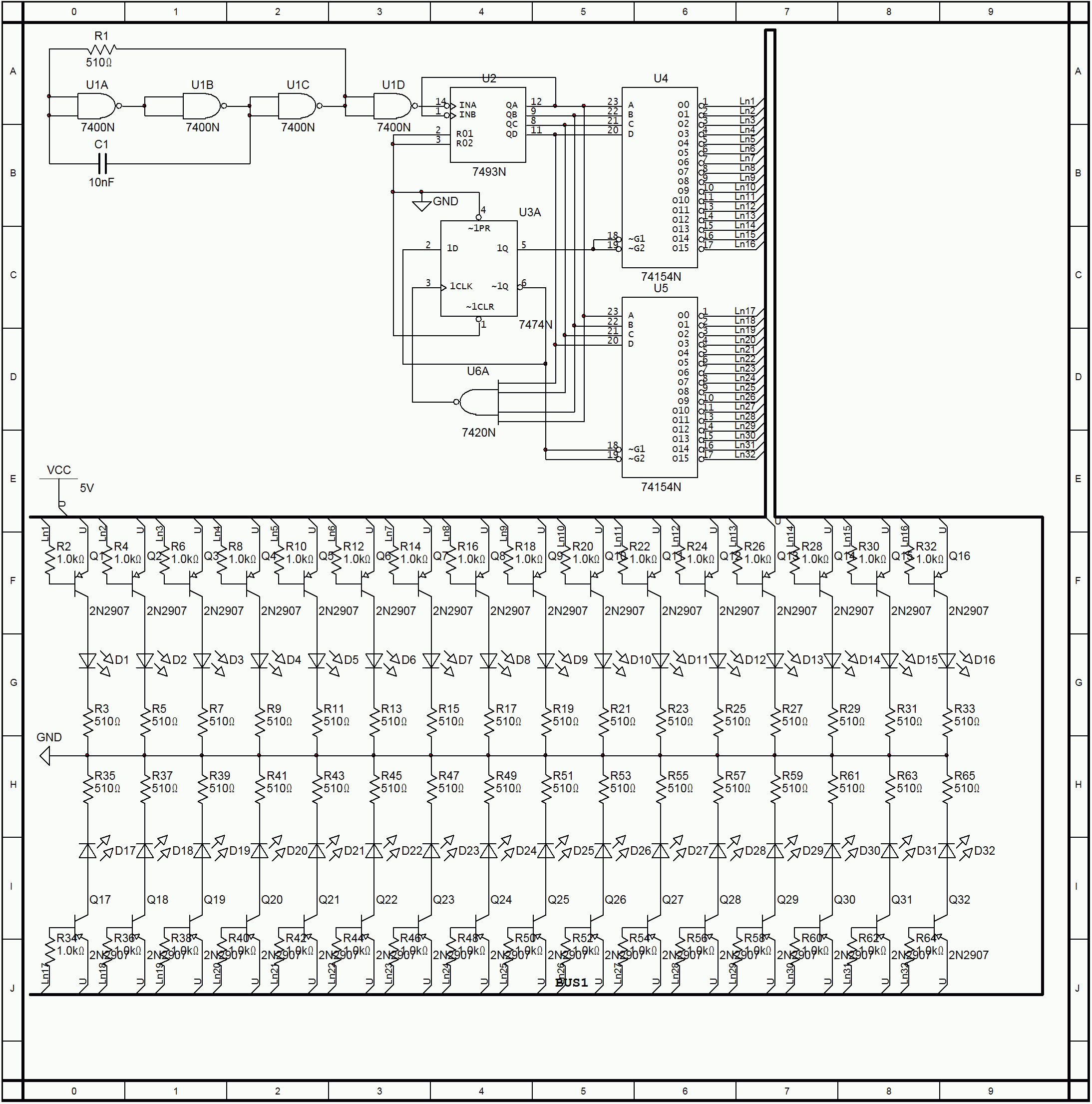
вот стопроцентов рабочя схема, - в первой коечто было не так
Малое знание опасно, впрочем, как и большое....
Вложения:
Пожалуйста Войти или Регистрация, чтобы присоединиться к беседе.
- tomas111
-
Автор темы
Less
Больше
- Спасибо получено: 0
06 апр 2007 18:51 #12
от tomas111
tomas111 ответил в теме бегущий огонек
7400 это же микруха ??? Какие какие контакты куда припаивать тоже ненаписано
Пожалуйста Войти или Регистрация, чтобы присоединиться к беседе.
- Doc
-
- Не в сети
07 апр 2007 05:02 #13
от Doc
Малое знание опасно, впрочем, как и большое....
Doc ответил в теме бегущий огонек
U1-155ЛА3
1,2 - 3
4,5 - 6
9,10 - 8
12,13 - 11
U6-K155ЛА1
1,2,4,5 - 6
а так вот книга с описаниями все выводов , да и вконце есть таблица аналогов h ttp://www.radio-portal.ru/modules.php?o ... &orderid=1
1,2 - 3
4,5 - 6
9,10 - 8
12,13 - 11
U6-K155ЛА1
1,2,4,5 - 6
а так вот книга с описаниями все выводов , да и вконце есть таблица аналогов h ttp://www.radio-portal.ru/modules.php?o ... &orderid=1
Малое знание опасно, впрочем, как и большое....
Пожалуйста Войти или Регистрация, чтобы присоединиться к беседе.
- tomas111
-
Автор темы
Less
Больше
- Спасибо получено: 0
07 апр 2007 09:25 #14
от tomas111
tomas111 ответил в теме бегущий огонек
Doc а что это за файл volna2.ms8 ???
Пожалуйста Войти или Регистрация, чтобы присоединиться к беседе.
- Doc
-
- Не в сети
07 апр 2007 17:29 #15
от Doc
Малое знание опасно, впрочем, как и большое....
Doc ответил в теме бегущий огонек
это фаил для виртуальной схемотехники Multisim 8
Малое знание опасно, впрочем, как и большое....
Пожалуйста Войти или Регистрация, чтобы присоединиться к беседе.
Модераторы: Doc