- Спасибо получено: 0
Потрібна допомога з зарядним
- Рома
-
Автор темы
Less
Больше
27 июль 2010 09:37 #6
от Рома
Рома ответил в теме Потрібна допомога з зарядним
хто складав зарядне по схемі на первичну обмотку приходить максімум 140 В всі деталі по схемі
Вложения:
Пожалуйста Войти или Регистрация, чтобы присоединиться к беседе.
- Doc
-
- Не в сети
27 июль 2010 10:06 #7
от Doc
Малое знание опасно, впрочем, как и большое....
Doc ответил в теме Потрібна допомога з зарядним
а почему считаете, что должно приходить больше?
Малое знание опасно, впрочем, как и большое....
Пожалуйста Войти или Регистрация, чтобы присоединиться к беседе.
- Рома
-
Автор темы
Less
Больше
- Спасибо получено: 0
27 июль 2010 10:38 #8
от Рома
Рома ответил в теме Потрібна допомога з зарядним
Doc писал(а) :
> а почему считаете, что должно приходить больше?
потому что на другом таком рабочем зарядном проверял всьо ок приходит 220 плюс минус 10-15 вольт
> а почему считаете, что должно приходить больше?
потому что на другом таком рабочем зарядном проверял всьо ок приходит 220 плюс минус 10-15 вольт
Пожалуйста Войти или Регистрация, чтобы присоединиться к беседе.
- Doc
-
- Не в сети
27 июль 2010 13:20 #9
от Doc
Малое знание опасно, впрочем, как и большое....
Doc ответил в теме Потрібна допомога з зарядним
раз есть рабочий вариант - проверяйте все напряжения по точкам схемы - найдете различия и поймете что неисправно
Малое знание опасно, впрочем, как и большое....
Пожалуйста Войти или Регистрация, чтобы присоединиться к беседе.
- Smoker
-
- Не в сети
Less
Больше
- Сообщений: 825
- Спасибо получено: 2
27 июль 2010 18:07 #10
от Smoker
Smoker ответил в теме Потрібна допомога з зарядним
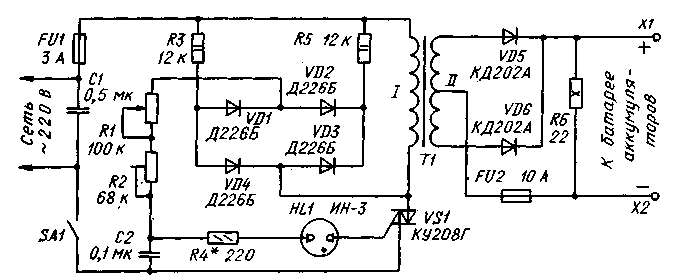
mercuri писал(а) :
> Перед входом на транс напруга від 15-145 вольт всі деталі згідно схеми коли
> ставлю сімістор з іншої такої самої схеми то максімум 160 вольт інша схема
> зібрана мною працює добре а цю перебрав раз 5 а результат однаковий
В данной схеме напряжение зависит от срабатывания неоновой лампы, если срабатывает от 70-80 вольт, напряжение на выходе будет одно, если от 200 - намного меньше. ну и конечно номинал конденсатора нужно проверить С2 и резисторов R1 R2. В оригинальной разработке предлагались неонки от стартера люминесцентных ламп.
> Перед входом на транс напруга від 15-145 вольт всі деталі згідно схеми коли
> ставлю сімістор з іншої такої самої схеми то максімум 160 вольт інша схема
> зібрана мною працює добре а цю перебрав раз 5 а результат однаковий
В данной схеме напряжение зависит от срабатывания неоновой лампы, если срабатывает от 70-80 вольт, напряжение на выходе будет одно, если от 200 - намного меньше. ну и конечно номинал конденсатора нужно проверить С2 и резисторов R1 R2. В оригинальной разработке предлагались неонки от стартера люминесцентных ламп.
Пожалуйста Войти или Регистрация, чтобы присоединиться к беседе.
Модераторы: Doc