- Сообщений: 1116
- Спасибо получено: 46
Стиральная машина Сибирь 6
- Николай Петрович
-
Автор темы
- Не в сети
Less
Больше
04 окт 2013 14:53 #1
от Николай Петрович
Николай Петрович создал тему: Стиральная машина Сибирь 6
Други, помогите - быть может у кого есть схема электронного тормозного устройства центрифуги отжима белья? Пожалуйста, дайте её. Или ссылку где можно её посмотреть.
Пожалуйста Войти или Регистрация, чтобы присоединиться к беседе.
- Rrenovatio
-
- Не в сети
Less
Больше
- Сообщений: 2505
- Спасибо получено: 78
04 окт 2013 18:28 #2
от Rrenovatio
Rrenovatio ответил в теме Стиральная машина Сибирь 6
Вложения:
Пожалуйста Войти или Регистрация, чтобы присоединиться к беседе.
- Николай Петрович
-
Автор темы
- Не в сети
Less
Больше
- Сообщений: 1116
- Спасибо получено: 46
04 окт 2013 21:30 #3
от Николай Петрович
Николай Петрович ответил в теме Стиральная машина Сибирь 6
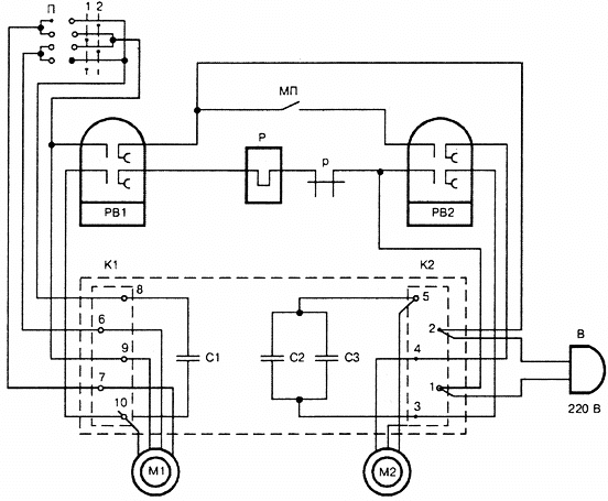
Это не много не то, что нужно. Здесь тормоз центрифуги механический. У меня, при открывании крышки отсека отжима белья, срабатывает микрик и включается электронная схема торможения центрифуги. Торможение происходит тем же эл. двигателем, что и её вращает. Схема содержит тиристор КУ202Н, пару 10 Амперных диода. однопереходной и несколько обычных транзисторов и диодов, небольшую горсть кондёров и резисторов, в т.ч. подстроечный. Хотелось бы (для выполнения ремонта, а то тормоза отказали и центрифуга останавливается очень долго) конкретно знать что там для чего. А то жена смотрит на меня как удав на кролика, но пока молчит.
Пожалуйста Войти или Регистрация, чтобы присоединиться к беседе.
- Rrenovatio
-
- Не в сети
Less
Больше
- Сообщений: 2505
- Спасибо получено: 78
04 окт 2013 22:27 #4
от Rrenovatio
Rrenovatio ответил в теме Стиральная машина Сибирь 6
тогда с этим будет проблема!
вряд ли в нете что то найдёшь!
попробуй методом тыка! что сгорело замени и не заморачивайся!
www.findpatent.ru/patent/205/2050685.html
тут много разных устройств торможения двигателя может что подберёшь...
и переделаешь :whistle:
всё в твоих руках! :silly:
а удав на кролика, так это пока кролик не посмотрит на удава... поверь :silly:
вряд ли в нете что то найдёшь!
попробуй методом тыка! что сгорело замени и не заморачивайся!
www.findpatent.ru/patent/205/2050685.html
тут много разных устройств торможения двигателя может что подберёшь...
и переделаешь :whistle:
всё в твоих руках! :silly:
а удав на кролика, так это пока кролик не посмотрит на удава... поверь :silly:
Спасибо сказали: Николай Петрович
Пожалуйста Войти или Регистрация, чтобы присоединиться к беседе.
- Rrenovatio
-
- Не в сети
Less
Больше
- Сообщений: 2505
- Спасибо получено: 78
05 окт 2013 01:18 #5
от Rrenovatio
Rrenovatio ответил в теме Стиральная машина Сибирь 6
Устройство содержащее конденсаторный асинхронный электродвигатель с элементами сдвига фазы и тиристор схемы торможения с элементами задания режима и блоком управления тиристором по управляющему электроду.
Однако известное устройство обладает рядом существенных недостатков. Потеря при каждом положительном полупериоде напряжения питающей сети (ПС) времени от нуля положительной полуволны напряжения до момента запуска тиристора снижает эффективность торможения.
Искажение формы питающего напряжения приводит к возникновению и проникновению в ПС спектра частот напряжения помех. Возможно, при подключенной к ПС неработающей БСМ самопроизвольное включение тиристора по импульсной помехе ПС, приводящее к протеканию тормозного тока по обмоткам неработающего электродвигателя. :whistle:
Однако известное устройство обладает рядом существенных недостатков. Потеря при каждом положительном полупериоде напряжения питающей сети (ПС) времени от нуля положительной полуволны напряжения до момента запуска тиристора снижает эффективность торможения.
Искажение формы питающего напряжения приводит к возникновению и проникновению в ПС спектра частот напряжения помех. Возможно, при подключенной к ПС неработающей БСМ самопроизвольное включение тиристора по импульсной помехе ПС, приводящее к протеканию тормозного тока по обмоткам неработающего электродвигателя. :whistle:
Пожалуйста Войти или Регистрация, чтобы присоединиться к беседе.
Модераторы: Doc