- Спасибо получено: 0
Блок питания для магнитолы.
- Александр
-
Less
Больше
26 нояб 2007 14:19 #11
от Александр
Александр ответил в теме Блок питания для магнитолы.
Так не замыкай и всё!
Пожалуйста Войти или Регистрация, чтобы присоединиться к беседе.
- mikes357
-
Less
Больше
- Спасибо получено: 0
30 нояб 2007 06:45 #12
от mikes357
mikes357 ответил в теме Блок питания для магнитолы.
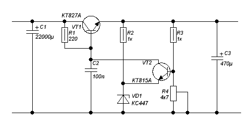
вот ещё одна простенькая схемка, в радио когда-то была - штук так 5 собрал, - все нормально работают.
изначально предназначена была для запитки магнитол от зарядного устройства.
зы: maj, давайте относиться нормально, без шапкозакидательства и парада тщеславия, который наблюдаю - ваш форум уже 4й по счёту, даже заходить не хочется.
изначально предназначена была для запитки магнитол от зарядного устройства.
зы: maj, давайте относиться нормально, без шапкозакидательства и парада тщеславия, который наблюдаю - ваш форум уже 4й по счёту, даже заходить не хочется.
Вложения:
Пожалуйста Войти или Регистрация, чтобы присоединиться к беседе.
- Александр
-
Less
Больше
- Спасибо получено: 0
30 нояб 2007 12:06 #13
от Александр
Александр ответил в теме Блок питания для магнитолы.
Спасибо!Учту.
Пожалуйста Войти или Регистрация, чтобы присоединиться к беседе.
Модераторы: Doc