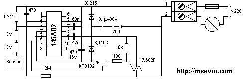
Сенсорный регулятор на К145АП2

  • camerton-87
  • camerton-87 аватар Автор темы
Больше
30 сен 2006 23:26 #1 от camerton-87
camerton-87 создал тему: Сенсорный регулятор на К145АП2
кто нить знае про микруху К145АП2
на сколько ватт эта схема расчитана :shock:
Вложения:

Пожалуйста Войти или Регистрация, чтобы присоединиться к беседе.

  • Elektronik
  • Elektronik аватар
Больше
02 окт 2006 13:45 #2 от Elektronik
Elektronik ответил в теме Сенсорный регулятор на К145АП2
Думаю всё понятно... h ttp://www.electromir.net/Shems/1/2/Shema_5. h tm

Пожалуйста Войти или Регистрация, чтобы присоединиться к беседе.

Модераторы: Doc
Вся информация, предоставленная на данном ресурсе разрешена к ознакомлению детям школьного возраста. Все практическое использование может быть связана с повышенной электрической опасностью и разрешено детям только под присмотром взрослых.