ПРОстейшие радионаушники

Больше
04 авг 2012 14:01 #6 от haker
haker ответил в теме ПРОстейшие радионаушники
например на этой микросхеме: la3550m

Пожалуйста Войти или Регистрация, чтобы присоединиться к беседе.

Больше
07 авг 2012 00:25 #7 от haker
haker ответил в теме ПРОстейшие радионаушники
Вот есть схема Помогите из нее убрать лишние детали так чтобы отался только приемник и стерео кодер.

Пожалуйста Войти или Регистрация, чтобы присоединиться к беседе.

Больше
08 авг 2012 21:34 - 08 авг 2012 21:35 #8 от Светлана
Светлана ответил в теме ПРОстейшие радионаушники
Усилитель мощности тоже не нужен?
Всё, что ниже С22 можно убрать. Если не нужен УМ, то от R14 и всё, что правее можно убрать. Конденсаторы С17, С18 можно оставить.

Если хотите, чтобы жизнь улыбалась вам, подарите ей своё хорошее настроение
Последнее редактирование: 08 авг 2012 21:35 пользователем Светлана.

Пожалуйста Войти или Регистрация, чтобы присоединиться к беседе.

Больше
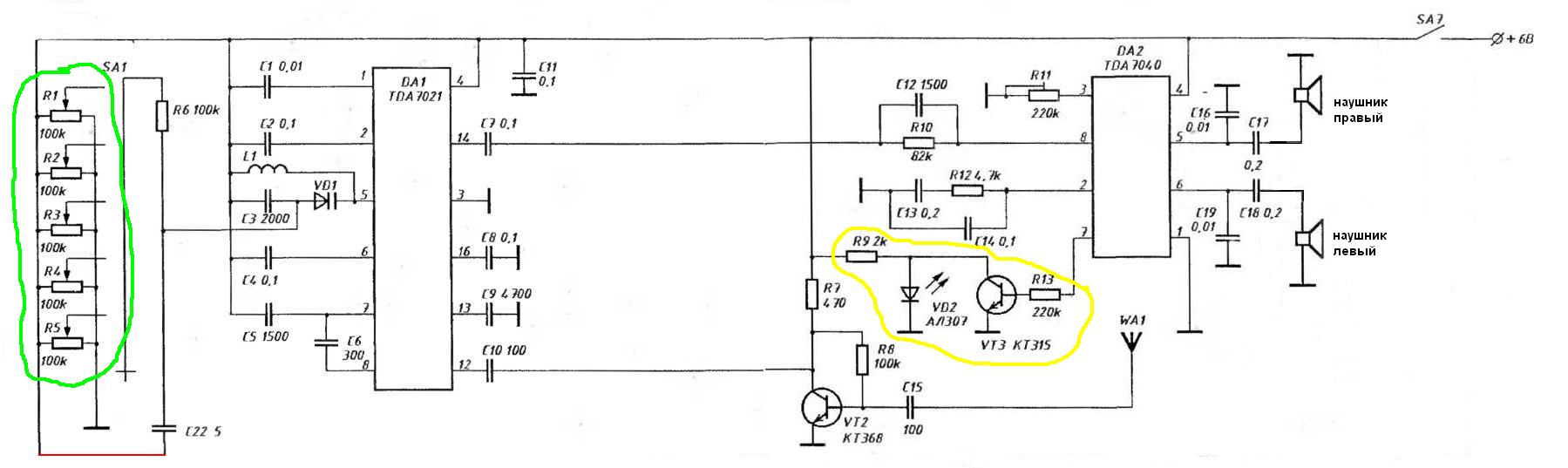
11 авг 2012 04:42 - 11 авг 2012 04:44 #9 от haker
haker ответил в теме ПРОстейшие радионаушники
Правильно ли я соединил (красный)? Можно ли вместо выделенной (зеленым) зоны и R6 использовать один на 200кОм? Можно ли выделенную (желтым) зону вообже убрать дабы уменьшить размеры? На сколько сигнал будет хуже если избавится от каскада VT2R7R8C15 и подключить антену напрямую к C10?
Последнее редактирование: 11 авг 2012 04:44 пользователем haker.

Пожалуйста Войти или Регистрация, чтобы присоединиться к беседе.

Больше
13 авг 2012 21:17 #10 от Вячеслав
Вячеслав ответил в теме ПРОстейшие радионаушники
Нет, С22 вообще убрать. Сопротивление оставить 100кОм и переменное 100кОм последовательно для ограничения тока. Жёлтое выкинуть, чисто индикация качества.

Пожалуйста Войти или Регистрация, чтобы присоединиться к беседе.

Модераторы: Doc
Вся информация, предоставленная на данном ресурсе разрешена к ознакомлению детям школьного возраста. Все практическое использование может быть связана с повышенной электрической опасностью и разрешено детям только под присмотром взрослых.